Главная > Подшипники> Роликовые > Радиально-упорные>66200/66462

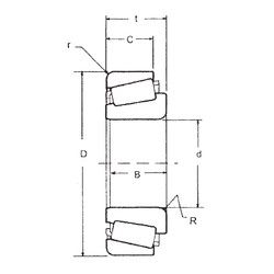
66200/66462 — Однорядный конический роликовый подшипник, импортное производство по ISO стандарту, размер 50x117x33 номер основного исполнения .
Производится брендами: CX, FBJ, ISO, TIMKEN.
Цена от:2 193 р.
Цена на подшипник зависит от:
Габаритные размеры
Размеры и геометрические характеристики
Нагрузка и ресурс
Защита
Коэффициенты для расчета
Присоединительные размеры
Конструкция и исполнение