Главная > Подшипники> Шариковые> Радиально-упорные>65TBH10DB

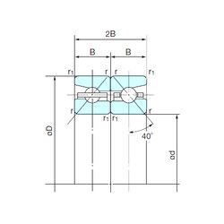
65TBH10DB — Радиально-упорный шарикоподшипник, импортное производство по ISO стандарту, размер 65x100x16 номер основного исполнения .
Производитель: NACHI.
D = профиль наружного кольца, усовершенствованный, с увеличенной зоной несущей нагрузки и оптимизированными краевыми переходами.
Цена по запросу
Цена на подшипник зависит от:
Габаритные размеры
Размеры и геометрические характеристики
Нагрузка и ресурс
Защита
Конструкция и исполнение
Радиально-упорный шарикоподшипник 65BAR10H (NSK)
Радиально-упорный шарикоподшипник 65TAH10DB (NACHI)
Радиально-упорный шарикоподшипник 65BAR10S (NSK)
Радиально-упорный шарикоподшипник 65BTR10H (NSK)
Радиально-упорный шарикоподшипник 65BTR10S (NSK)
Сверхточный двухнаправленный радиально-упорный шарикоподшипник BTM 65 BTN9/HCP4CDB (SKF)