Главная > Подшипники> Роликовые > Радиально-упорные>6578R/6535

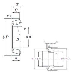
6578R/6535 — Подшипник роликовый радиально-упорный, импортное производство по ISO стандарту, размер 84x146x55 номер основного исполнения .
Производитель: KOYO.
R = Наружное кольцо с фланцем .
Цена по запросу
Цена на подшипник зависит от:
Габаритные размеры
Размеры и геометрические характеристики
Нагрузка и ресурс
Защита
Коэффициенты для расчета
Присоединительные размеры
Конструкция и исполнение