Главная > Подшипники> Роликовые > Радиально-упорные>657/652A

657/652A — Подшипник роликовый радиально-упорный, импортное производство по ISO стандарту, размер 73x149x41 номер основного исполнения .
Производитель: KOYO.
A = внутренняя модификация конструкции.
Цена по запросу
Цена на подшипник зависит от:
Габаритные размеры
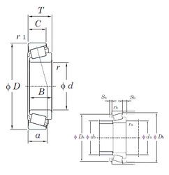
Размеры и геометрические характеристики
Нагрузка и ресурс
Защита
Коэффициенты для расчета
Присоединительные размеры
Конструкция и исполнение