Главная > Подшипники> Роликовые > Радиально-упорные>65384/65320

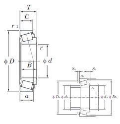
65384/65320 — Подшипник роликовый радиально-упорный, импортное производство по ISO стандарту, размер 44x114x44 номер основного исполнения .
Производится брендами: KOYO, TIMKEN.
Цена по запросу
Цена на подшипник зависит от:
Габаритные размеры
Размеры и геометрические характеристики
Нагрузка и ресурс
Защита
Коэффициенты для расчета
Присоединительные размеры
Конструкция и исполнение
Конический роликоподшипник 4T-65385/65320 (NTN)
Однорядный конический роликовый подшипник 65385/65320 (KOYO, NACHI, NIS, NSK, TIMKEN)