Главная > Подшипники> Роликовые > Радиально-упорные>65231/65500

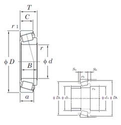
65231/65500 — Подшипник роликовый радиально-упорный, импортное производство по ISO стандарту, размер 58x127x44 номер основного исполнения .
Производится брендами: KOYO, NACHI, TIMKEN.
Цена по запросу
Цена на подшипник зависит от:
Габаритные размеры
Размеры и геометрические характеристики
Нагрузка и ресурс
Защита
Коэффициенты для расчета
Присоединительные размеры
Конструкция и исполнение