Главная > Подшипники> Роликовые > Радиально-упорные>6475/6420

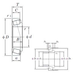
6475/6420 — Подшипник роликовый радиально-упорный, импортное производство по ISO стандарту, размер 63x149x53 номер основного исполнения .
Производится брендами: KOYO, TIMKEN.
Цена по запросу
Цена на подшипник зависит от:
Габаритные размеры
Размеры и геометрические характеристики
Нагрузка и ресурс
Защита
Коэффициенты для расчета
Присоединительные размеры
Конструкция и исполнение