Главная > Подшипники> Роликовые > Радиально-упорные>6460YA/6420

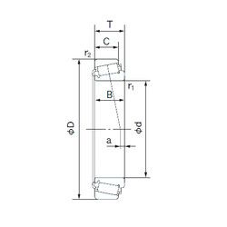
6460YA/6420 — Однорядный конический роликовый подшипник, импортное производство по ISO стандарту, размер 73x149x53 номер основного исполнения .
Производитель: NACHI.
Y = Штампованный латунный сепаратор, центрируемый по телам качения.
Цена от:3 084 р.
Цена на подшипник зависит от:
Габаритные размеры
Размеры и геометрические характеристики
Нагрузка и ресурс
Защита
Коэффициенты для расчета
Присоединительные размеры
Конструкция и исполнение
Подшипник роликовый радиально-упорный 4640/6420 (FBJ)
Конический роликоподшипник 4T-6460/6420 (NTN)
Однорядный конический роликовый подшипник 6460/6420 (CX, ISO, KOYO, NACHI, NIS)
Конический роликоподшипник 6460/6420A (TIMKEN)