Главная > Подшипники> Роликовые > Радиально-упорные>6454/6420

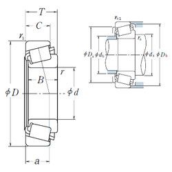
6454/6420 — Однорядный конический роликовый подшипник, импортное производство по ISO стандарту, размер 69x149x53 номер основного исполнения .
Производится брендами: KOYO, NACHI, NIS, NSK, TIMKEN.
Цена от:3 817 р.
Цена на подшипник зависит от:
Габаритные размеры
Размеры и геометрические характеристики
Нагрузка и ресурс
Защита
Коэффициенты для расчета
Присоединительные размеры
Конструкция и исполнение
Прочие характеристики