Главная > Подшипники> Роликовые > Радиально-упорные>64450/64700

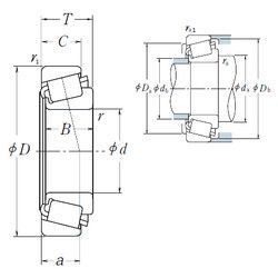
64450/64700 — Однорядный конический роликовый подшипник, импортное производство по ISO стандарту, размер 114x177x41 номер основного исполнения .
Производится брендами: AST, CX, FBJ, Fersa, ISB, ISO, NACHI, NIS, NSK, SKF, TIMKEN.
Цена от:5 206 р.
Цена на подшипник зависит от:
Габаритные размеры
Размеры и геометрические характеристики
Нагрузка и ресурс
Защита
Коэффициенты для расчета
Присоединительные размеры
Конструкция и исполнение
Прочие характеристики
Однорядный конический роликовый подшипник 4T-64450/64700 (NTN)
Однорядный конический роликовый подшипник 64452A/64700 (CX, ISO, TIMKEN)
Подшипник роликовый радиально-упорный 64450R/64700 (KOYO)
Однорядный конический роликовый подшипник 64450/64700B (TIMKEN)
Конический роликоподшипник 64452A/64700B (TIMKEN)
Однорядный конический роликовый подшипник K64450-64700 (FAG)