Главная > Подшипники> Роликовые > Радиально-упорные>64433R/64700

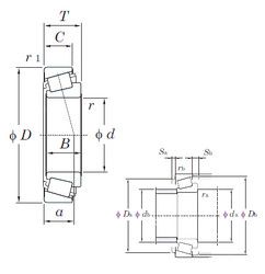
64433R/64700 — Подшипник роликовый радиально-упорный, импортное производство по ISO стандарту, размер 109x177x41 номер основного исполнения .
Производитель: KOYO.
R = Наружное кольцо с фланцем .
Цена по запросу
Цена на подшипник зависит от:
Габаритные размеры
Размеры и геометрические характеристики
Нагрузка и ресурс
Защита
Коэффициенты для расчета
Присоединительные размеры
Конструкция и исполнение
Однорядный конический роликовый подшипник 4T-64433/64700 (NTN)
Однорядный конический роликовый подшипник 64433/64700 (CX, FBJ, ISO, NIS, NSK)
Однорядный конический роликовый подшипник 64432/64700 (CX, ISO, TIMKEN)
Однорядный конический роликовый подшипник 64433/64700-B (TIMKEN)