Главная > Подшипники> Роликовые > Радиально-упорные>643/632

643/632 — Однорядный конический роликовый подшипник, импортное производство по ISO стандарту, размер 69x136x41 номер основного исполнения .
Производится брендами: CX, FBJ, Fersa, ISO, TIMKEN.
Цена от:1 648 р.
Цена на подшипник зависит от:
Габаритные размеры
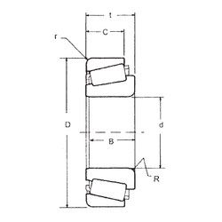
Размеры и геометрические характеристики
Нагрузка и ресурс
Защита
Коэффициенты для расчета
Присоединительные размеры
Конструкция и исполнение
Конический роликоподшипник 4T-643/632 (NTN)
Конический роликоподшипник 643/632-B (TIMKEN)