Главная > Подшипники> Роликовые > Радиально-упорные>642/632

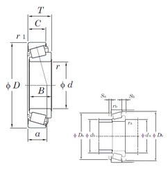
642/632 — Однорядный конический роликовый подшипник, импортное производство по ISO стандарту, размер 68x136x41 номер основного исполнения .
Производится брендами: KOYO, TIMKEN.
Цена по запросу
Цена на подшипник зависит от:
Габаритные размеры
Размеры и геометрические характеристики
Нагрузка и ресурс
Защита
Коэффициенты для расчета
Присоединительные размеры
Конструкция и исполнение
Конический роликоподшипник 4T-H414245/H414210 (NTN)
Конический роликоподшипник 642/632-B (TIMKEN)
Подшипник роликовый радиально-упорный H414245/10 (CX, ISO)
Однорядный конический роликовый подшипник H414245/H414210 (FBJ, KBC, KOYO, NACHI, NIS)
Подшипник роликовый радиально-упорный H414245X/10 (CX, ISO)
Однорядный конический роликовый подшипник H414245X/H414210 (TIMKEN)