Главная > Подшипники> Роликовые > Радиально-упорные>641/633

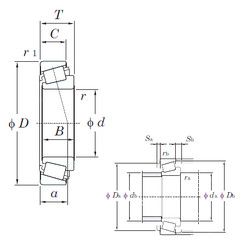
641/633 — Однорядный конический роликовый подшипник, импортное производство по ISO стандарту, размер 66x130x41 номер основного исполнения .
Производится брендами: CX, FBJ, Fersa, ISO, KOYO, TIMKEN.
Цена от:1 898 р.
Цена на подшипник зависит от:
Габаритные размеры
Размеры и геометрические характеристики
Нагрузка и ресурс
Защита
Коэффициенты для расчета
Присоединительные размеры
Конструкция и исполнение