Главная > Подшипники> Роликовые > Радиально-упорные>641/632

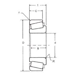
641/632 — Однорядный конический роликовый подшипник, импортное производство по ISO стандарту, размер 66x136x41 номер основного исполнения .
Производится брендами: CX, FBJ, Fersa, ISO, TIMKEN.
Цена от:1 898 р.
Цена на подшипник зависит от:
Габаритные размеры
Размеры и геометрические характеристики
Нагрузка и ресурс
Защита
Коэффициенты для расчета
Присоединительные размеры
Конструкция и исполнение
Конический роликоподшипник 4T-641/632 (NTN)
Однорядный конический роликовый подшипник 4T-H414242/H414210 (NTN)
Однорядный конический роликовый подшипник 641/632B (TIMKEN)
Однорядный конический роликовый подшипник H414242/H414210 (FBJ, Fersa, KOYO, NACHI, TIMKEN)
Подшипник роликовый радиально-упорный H414242/10 (CX, ISO)
Однорядный конический роликовый подшипник KH414242-H414210 (FAG)