Главная > Подшипники> Шариковые> Радиальные>639HZZ

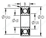
639HZZ — импортное производство по ISO стандарту, размер 9x30x10 номер основного исполнения .
Производитель: AST.
ZZ = Два металлических экрана.
Цена от:301 р.
Цена на подшипник зависит от:
Габаритные размеры
Размеры и геометрические характеристики
Нагрузка и ресурс
Присоединительные размеры
Конструкция и исполнение
Прочие характеристики
Подшипник однорядный шариковый радиальный 39
Подшипник шариковый радиальный однорядный с одной защитной шайбой 60039
Подшипник шариковый радиальный однорядный с двумя защитными шайбами 80039
Подшипник шариковый радиальный однорядный с упорным бортом на наружном кольце 840039
Подшипник шариковый радиальный однорядный с упорным бортом на наружном кольце и одной защитной шайбой 860039
Подшипник шариковый радиальный однорядный с упорным бортом на наружном кольце и двумя защитными шайбами 880039