Главная > Подшипники> Роликовые > Радиально-упорные>639/633

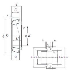
639/633 — Подшипник роликовый радиально-упорный, импортное производство по ISO стандарту, размер 63x130x41 номер основного исполнения .
Производится брендами: KOYO, NACHI, NIS, NSK, TIMKEN.
Цена от:301 р.
Цена на подшипник зависит от:
Габаритные размеры
Размеры и геометрические характеристики
Нагрузка и ресурс
Защита
Коэффициенты для расчета
Присоединительные размеры
Конструкция и исполнение
Прочие характеристики