Главная > Подшипники> Роликовые > Радиально-упорные>6386A/6320

6386A/6320 — Подшипник роликовый радиально-упорный, импортное производство по ISO стандарту, размер 66x135x53 номер основного исполнения .
Производится брендами: KOYO, TIMKEN.
A = внутренняя модификация конструкции.
Цена от:4 113 р.
Цена на подшипник зависит от:
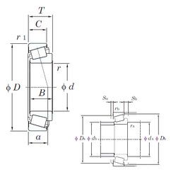
Габаритные размеры
Размеры и геометрические характеристики
Нагрузка и ресурс
Защита
Коэффициенты для расчета
Присоединительные размеры
Конструкция и исполнение
Однорядный конический роликовый подшипник 4T-6386/6320 (NTN)
Однорядный конический роликовый подшипник 6389/6320 (CX, FBJ, ISO, KOYO, TIMKEN)
Однорядный конический роликовый подшипник 6386/6320 (CX, FBJ, Fersa, ISO, KOYO)
Конический роликоподшипник 6386/20 (PFI)