Главная > Подшипники> Роликовые > Радиально-упорные>6379/K-6320/Q

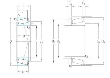
6379/K-6320/Q — Однорядный конический роликовый подшипник, импортное производство по ISO стандарту, размер 65x135x53 номер основного исполнения .
Производитель: SKF.
К = Коническая посадка, конусность 1:12.
Цена от:1 921 р.
Цена на подшипник зависит от:
Габаритные размеры
Размеры и геометрические характеристики
Нагрузка и ресурс
Защита
Коэффициенты для расчета
Присоединительные размеры
Конструкция и исполнение
Конический роликоподшипник 4T-6379/6320 (NTN)
Однорядный конический роликовый подшипник 6379/6320 (CX, FBJ, Fersa, ISO, KOYO)
Однорядный конический роликовый подшипник 6379/K6320 (ISB)
Конический роликоподшипник J6392/6320 (TIMKEN)