Главная > Подшипники> Роликовые > Радиально-упорные>637/633

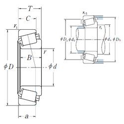
637/633 — Однорядный конический роликовый подшипник, импортное производство по ISO стандарту, размер 60x130x41 номер основного исполнения .
Производится брендами: KOYO, NACHI, NIS, NSK, TIMKEN.
Цена от:40 р.
Цена на подшипник зависит от:
Габаритные размеры
Размеры и геометрические характеристики
Нагрузка и ресурс
Защита
Коэффициенты для расчета
Присоединительные размеры
Конструкция и исполнение
Прочие характеристики