Главная > Подшипники> Шариковые> Радиальные>6364

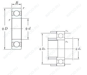
6364 — Подшипник шариковый радиальный, импортное производство по ISO стандарту, размер 320x670x112 основное исполнение.
Производится брендами: CX, ISO, KOYO.
Цена по запросу
Цена на подшипник зависит от:
Габаритные размеры
Размеры и геометрические характеристики
Нагрузка и ресурс
Защита
Коэффициенты для расчета
Присоединительные размеры
Конструкция и исполнение