Главная > Подшипники> Шариковые> Радиальные>6360

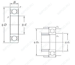
6360 — Подшипник шариковый радиальный, импортное производство по ISO стандарту, размер 300x620x109 основное исполнение.
Производится брендами: CX, ISO, KOYO.
Цена по запросу
Цена на подшипник зависит от:
Габаритные размеры
Размеры и геометрические характеристики
Нагрузка и ресурс
Защита
Коэффициенты для расчета
Присоединительные размеры
Конструкция и исполнение
Подшипник роликовый радиальный с короткими цилиндрическими роликами без бортов на наружном кольце 2360
Подшипник роликовый радиальный с короткими цилиндрическими роликами без бортов на внутреннем кольце 32360
Подшипник роликовый радиальный с короткими цилиндрическими роликами с однобортовым внутренним кольцом 42360
Подшипник роликовый радиальный с короткими цилиндрическими роликами с однобортовым внутренним кольцом и с плоским упорным кольцом 92360