Главная > Подшипники> Роликовые > Радиально-упорные>636/633

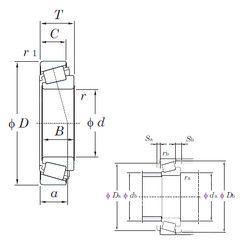
636/633 — Подшипник роликовый радиально-упорный, импортное производство по ISO стандарту, размер 53x120x41 номер основного исполнения .
Производитель: KOYO.
Цена от:3 547 р.
Цена на подшипник зависит от:
Габаритные размеры
Размеры и геометрические характеристики
Нагрузка и ресурс
Защита
Коэффициенты для расчета
Присоединительные размеры
Конструкция и исполнение
Конический роликоподшипник 4T-621/612 (NTN)
Однорядный конический роликовый подшипник 624/612 (TIMKEN)
Однорядный конический роликовый подшипник 621/612 (CX, FBJ, ISO, KOYO, NACHI)
Конический роликоподшипник 621/612-S (TIMKEN)
Конический роликоподшипник 621/612B (TIMKEN)