Главная > Подшипники> Шариковые> Радиальные>6356

6356 — Подшипник шариковый радиальный, импортное производство по ISO стандарту, размер 280x580x108 основное исполнение.
Производится брендами: CX, ISO, KOYO, NSK, NTN.
Цена по запросу
Цена на подшипник зависит от:
| Обозначение | Модификация |
|---|---|
| 6356-M | M = массивный латунный сепаратор. |
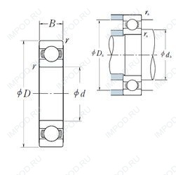
Габаритные размеры
Размеры и геометрические характеристики
Нагрузка и ресурс
Защита
Коэффициенты для расчета
Присоединительные размеры
Конструкция и исполнение
Подшипник роликовый радиальный с короткими цилиндрическими роликами без бортов на наружном кольце 2356
Подшипник роликовый радиальный с короткими цилиндрическими роликами с однобортовым внутренним кольцом 42356
Подшипник роликовый радиальный с короткими цилиндрическими роликами с однобортовым внутренним кольцом и с плоским упорным кольцом 92356
Подшипник шариковый радиально-упорный однорядный с разъемным наружным кольцом с четырехточечным контактом 116356
Подшипник шариковый радиально-упорный однорядный с разъемным внутренним кольцом с четырехточечным контактом 176356
Цилиндрический роликоподшипник 280RN03 (TIMKEN)