Главная > Однорядные >6319 C3

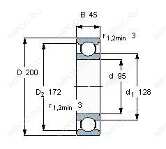
6319 C3 — Подшипник однорядный шариковый радиальный, импортное производство по ISO стандарту, размер 95x200x45 номер основного исполнения 6319.
Производитель: FAG.
C3 = Радиальный внутренний зазор больше нормального.
Цена от:3 654 р.
Цена на подшипник зависит от:
| Обозначение | Модификация |
|---|---|
| M6319 | |
| 6319N | N = Канавка под стопорное кольцо в наружном кольце |
| 6319D2 | D = профиль наружного кольца, усовершенствованный, с увеличенной зоной несущей нагрузки и оптимизированными краевыми переходами. |
| 6319NR | Стопорное кольцо и проточка под него в наружном кольце подшипника. |
| 6319NK | К = Коническая посадка, конусность 1:12. |
| 6319ZX | X = Внешние размеры, соответствующие международным стандартам. |
| 6319BI | B = однокомпонентное ребристое внутреннее кольцо. |
| 6319 M | M = массивный латунный сепаратор. |
| 6319-Z | Металлический экран с одной стороны. |
| 6319VV | V = Увеличенная грузоподъемность, внутренняя модификация конструкции. |
| 6319LLU | LLU = Резиновые уплотнения на каждой стороне подшипника. |
| 6319ZZX | ZZ = Два металлических экрана. X = Внешние размеры, соответствующие международным стандартам. |
| 6319ZNR | Стопорное кольцо и проточка под него в наружном кольце подшипника. |
| 6319 2Z | 2Z = Металлические шайбы с каждой стороны подшипника. |
| 6319 ZZ | ZZ = Два металлических экрана. |
| 6319LLB | LLB = Уплотнение из синтетического каучука бесконтактного типа. |
| 6319NSL | S = смазочный паз и три отверстия в наружном кольце подшипника. |
| 6319-RS | R = Наружное кольцо с фланцем . |
| M6319ZZX | ZZ = Два металлических экрана. X = Внешние размеры, соответствующие международным стандартам. |
| 6319 DDU | DDU = резиновые уплотнения на каждой стороне подшипника. |
| 6319-RS1 | S1 = Кольца подшипника стабилизированы для рабочих температур до + 200 С. |
| 6319-2RS | Резиновые уплотнения с каждой стороны подшипника. |
| 6319-2RU | Манжетное бесконтактное уплотнение с обеих сторон. |
| 6319-2NK | К = Коническая посадка, конусность 1:12. |
| 6319-RSR | R = Наружное кольцо с фланцем . |
| 6319-2RSR | 2RSR = Резиновые уплотнения с каждой стороны подшипника. |
| 6319-2NSL | S = смазочный паз и три отверстия в наружном кольце подшипника. |
| 6319-2RS1 | Резиновые уплотнения с каждой стороны подшипника. |
| 6319/HC5C3 | C3 = Радиальный внутренний зазор больше нормального. |
| 6319 2Z.C3 | C3 = Радиальный внутренний зазор больше нормального. |
| 319 (6319) | |
| 6319/C3VL0241 | C3 = Радиальный внутренний зазор больше нормального. |
| 6319 M/C3VL0241 | M = Цельный латунный сепаратор, с шариковой направляющей. C3 = Радиальный внутренний зазор подшипника больше, чем обычно. |
Габаритные размеры
Конструкция и исполнение
Подшипник шариковый однорядный радиально-упорный 7319 (CYSD, FAG, KOYO, NACHI, NTN)
Подшипник однорядный шариковый радиальный 6-319 (AST, CRAFT, CX, CYSD, FAG)
Однорядный цилиндрический роликовый подшипник NJ319 (CRAFT, FAG, FBJ, ISB, ISO)
Подшипник роликовый радиальный самоцентрирующийся 20319 (FAG, ISO)
Подшипник роликовый сферический 21319 (ISB, NTN, SKF)
Подшипник шариковый двухрядный самоустанавливающийся 1319 (CRAFT, CX, FAG, ISB, ISO)