Главная > Однорядные >6308 2RS.C3

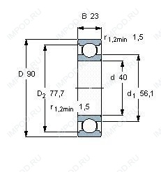
6308 2RS.C3 — Подшипник однорядный шариковый радиальный, импортное производство по ISO стандарту, размер 40x90x23 номер основного исполнения 6308.
Производится брендами: FAG, PFI.
2RS = Резиновые пыле-влагозащитные уплотнения с каждой стороны подшипника. C3 = Внутренний Зазор Больше Обычного.
Цена от:474 р.
Цена на подшипник зависит от:
| Обозначение | Модификация |
|---|---|
| 6308 | Основное конструктивное исполнение. |
| 6308E | Е = Увеличенная грузоподъемность. |
| S6308 | |
| W6308 | |
| 6308-Z | Металлический экран с одной стороны. |
| 6308LH | L = массивный сепаратор из лёгкого сплава. |
| HC6308 | |
| 6308LB | LB - массивный сепаратор из лёгкого сплава, центрирование по внутреннему кольцу. |
| 6308EE | Е = Увеличенная грузоподъемность. |
| M6308B | B = однокомпонентное ребристое внутреннее кольцо. |
| 6308LU | LU = RS1 (SKF) = шариковый подшипник с трущим уплотнением с одной стороны. Уплотнение обычно состоит из шайбы из листовой стали и прорезиненной ткани. |
| 6308DD | DD = резиновые уплотнения на каждой стороне подшипника. |
| 6308UU | Резиновое уплотнение на каждой стороне подшипника. |
| 6308 N | N = Канавка под стопорное кольцо в наружном кольце |
| 6308VV | V = Увеличенная грузоподъемность, внутренняя модификация конструкции. |
| 6308ZE | Е = Увеличенная грузоподъемность. |
| 6308BI | B = однокомпонентное ребристое внутреннее кольцо. |
| 6308ZZE | ZZ = Два металлических экрана. |
| 6308NSE | S = смазочный паз и три отверстия в наружном кольце подшипника. |
| 6308 ZZ | ZZ = Два металлических экрана. |
| AC-6308 | |
| 6308LLU | LLU = Резиновые уплотнения на каждой стороне подшипника. |
| EC-6308 | |
| 6308-RZ | R = Наружное кольцо с фланцем . |
| 6308-RS | R = Наружное кольцо с фланцем . |
| 6308DDU | DDU = резиновые уплотнения на каждой стороне подшипника. |
| 6308 2Z | 2Z = Металлические шайбы с каждой стороны подшипника. |
| 6308NRZ | Стопорное кольцо и проточка под него в наружном кольце подшипника. |
| SS 6308 | |
| 6308SEE | S = смазочный паз и три отверстия в наружном кольце подшипника. |
| 6308T1X | T = Механически обработанный сепаратор из текстолита, центрируемый по телам качения. |
| 6308NKE | К = Коническая посадка, конусность 1:12. |
| 6308LLH | LL = Лабиринтные уплотнения с обеих сторон (уплотнение L-типа - все части уплотнения L-типа покрыты цинком с всех сторон для улучшения защиты от коррозии - без трения уплотнения ). H = Штампованный защелкивающийся стальной сепаратор, закаленный. |
| 6308 NR | Стопорное кольцо и проточка под него в наружном кольце подшипника. |
| 6308LLB | LLB = Уплотнение из синтетического каучука бесконтактного типа. |
| 6308-2RZ | 2RZ = Шариковый подшипник, с уплотнением низкого трения на обеих сторонах. Уплотнение состоит из шайбы тонколистовой стали с вулканизированной резиной. |
| 6308-2RD | R = Наружное кольцо с фланцем . |
| 6308NREE | Стопорное кольцо и проточка под него в наружном кольце подшипника. |
| 6308HVZZ | ZZ = Два металлических экрана. |
| 6308-Z-N | Металлический экран с одной стороны. |
| 6308-RS2 | S2 = Кольца подшипника стабилизированы для рабочих температур до + 250 С. |
| 6308NRZZ | ZZ = Два металлических экрана. |
| 6308-RS1 | S1 = Кольца подшипника стабилизированы для рабочих температур до + 200 С. |
| M6308BZZ | ZZ = Два металлических экрана. |
| 6308ZENR | Стопорное кольцо и проточка под него в наружном кольце подшипника. |
| P6308-GB | G = Однорядный радиально-упорный шарикоподшипник для универсального парного монтажа. Два подшипника, установленные по 0-образной или Х-образной схеме, будут иметь определенный осевой зазор в домонтажном состоянии. |
| P6308-SB | S (Сегментное уплотнение, код 2L) = кулачковый толкатель, Camrol, герметичная версия. B = шестигранное отверстие ,заменяет шлиц отвертки в конце фланца штока. |
| 6308LUNR | LU = RS1 (SKF) = шариковый подшипник с трущим уплотнением с одной стороны. Уплотнение обычно состоит из шайбы из листовой стали и прорезиненной ткани. |
| S6308-2Z | 2Z = Металлические шайбы с каждой стороны подшипника. |
| 6308-2RS | Резиновые уплотнения с каждой стороны подшипника. |
Габаритные размеры
Размеры и геометрические характеристики
Защита
Конструкция и исполнение
Однорядный цилиндрический роликовый подшипник NU308 (CRAFT, FAG, FBJ, ISB, ISO)
Однорядный цилиндрический роликовый подшипник NJ308 (CRAFT, CYSD, FAG, FBJ, ISB)
Подшипник шариковый радиальный 6-308
Подшипник шариковый радиальный 4-308 (ГПЗ-8)
Подшипник роликовый сферический 20308 (FAG, ISO, SIGMA)
Подшипник роликовый сферический 21308 (ISB, SKF)