Главная > Однорядные >6305 2RS2

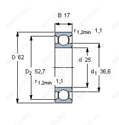
6305 2RS2 — Подшипник однорядный шариковый радиальный, импортное производство по ISO стандарту, размер 25x62x17 номер основного исполнения 6305.
Производится брендами: FAG, NKE.
Резиновые уплотнения с каждой стороны подшипника.
Цена от:141 р.
Цена на подшипник зависит от:
| Обозначение | Модификация |
|---|---|
| 6305 | Основное конструктивное исполнение. |
| 6305R | R = Наружное кольцо с фланцем . |
| 6305E | Е = Увеличенная грузоподъемность. |
| M6305 | |
| S6305 | |
| 6305C | С = Необслуживаемые концы стержней, внутренняя резьба. |
| 6305LU | LU = RS1 (SKF) = шариковый подшипник с трущим уплотнением с одной стороны. Уплотнение обычно состоит из шайбы из листовой стали и прорезиненной ткани. |
| 6305UU | Резиновое уплотнение на каждой стороне подшипника. |
| 6305LB | LB - массивный сепаратор из лёгкого сплава, центрирование по внутреннему кольцу. |
| 6305VV | V = Увеличенная грузоподъемность, внутренняя модификация конструкции. |
| 6305ZE | Е = Увеличенная грузоподъемность. |
| 6305 N | N = Канавка под стопорное кольцо в наружном кольце |
| W 6305 | |
| 6305-Z | Металлический экран с одной стороны. |
| 6305BI | B = однокомпонентное ребристое внутреннее кольцо. |
| 6305DD | DD = резиновые уплотнения на каждой стороне подшипника. |
| 6305EE | Е = Увеличенная грузоподъемность. |
| 6305-RS | R = Наружное кольцо с фланцем . |
| 6305NRZ | Стопорное кольцо и проточка под него в наружном кольце подшипника. |
| 6305-ZZ | ZZ = Два металлических экрана. |
| EC-6305 | |
| M6305ZZ | ZZ = Два металлических экрана. |
| 6305LLH | LL = Лабиринтные уплотнения с обеих сторон (уплотнение L-типа - все части уплотнения L-типа покрыты цинком с всех сторон для улучшения защиты от коррозии - без трения уплотнения ). H = Штампованный защелкивающийся стальной сепаратор, закаленный. |
| 6305-RZ | R = Наружное кольцо с фланцем . |
| 6305DDU | DDU = резиновые уплотнения на каждой стороне подшипника. |
| SS 6305 | |
| 6305T1X | T = Механически обработанный сепаратор из текстолита, центрируемый по телам качения. |
| 6305LLB | LLB = Уплотнение из синтетического каучука бесконтактного типа. |
| 6305ZZE | ZZ = Два металлических экрана. |
| 6305 NR | Стопорное кольцо и проточка под него в наружном кольце подшипника. |
| 6305-2Z | 2Z = Металлические шайбы с каждой стороны подшипника. |
| 6305/65 | |
| 6305NKE | К = Коническая посадка, конусность 1:12. |
| 6305LLU | LLU = Резиновые уплотнения на каждой стороне подшипника. |
| 6305NSE | S = смазочный паз и три отверстия в наружном кольце подшипника. |
| AC-6305 | |
| 6305ZENR | Стопорное кольцо и проточка под него в наружном кольце подшипника. |
| 6305-2RU | Манжетное бесконтактное уплотнение с обеих сторон. |
| 6305-ZNR | Стопорное кольцо и проточка под него в наружном кольце подшипника. |
| 6305-Z-N | Металлический экран с одной стороны. |
| P6305-GB | G = Однорядный радиально-упорный шарикоподшипник для универсального парного монтажа. Два подшипника, установленные по 0-образной или Х-образной схеме, будут иметь определенный осевой зазор в домонтажном состоянии. |
| P6305-SB | S (Сегментное уплотнение, код 2L) = кулачковый толкатель, Camrol, герметичная версия. B = шестигранное отверстие ,заменяет шлиц отвертки в конце фланца штока. |
| 6305-RS2 | S2 = Кольца подшипника стабилизированы для рабочих температур до + 250 С. |
| S6305-2Z | 2Z = Металлические шайбы с каждой стороны подшипника. |
| 6305ZZD2 | ZZ = Два металлических экрана. |
| 6305-2RS | Резиновые уплотнения с каждой стороны подшипника. |
| 6305-2RZ | 2RZ = Шариковый подшипник, с уплотнением низкого трения на обеих сторонах. Уплотнение состоит из шайбы тонколистовой стали с вулканизированной резиной. |
| W6305-ZZ | ZZ = Два металлических экрана. |
| 6305-2RD | R = Наружное кольцо с фланцем . |
| 6305NRZZ | ZZ = Два металлических экрана. |
Габаритные размеры
Размеры и геометрические характеристики
Нагрузка и ресурс
Защита
Конструкция и исполнение
Однорядный цилиндрический роликовый подшипник NU305 (CRAFT, FAG, FBJ, ISB, ISO)
Однорядный цилиндрический роликовый подшипник NJ305 (CRAFT, FAG, FBJ, ISB, ISO)
Подшипник шариковый радиальный 6-305
Подшипник шариковый радиальный 4-305 (ГПЗ-1)
Подшипник роликовый сферический 21305 (ISB, NSK)
Подшипник шариковый радиальный сферический двухрядный с цилиндрическим отверстием внутреннего кольца 1305