Главная > Однорядные >6304 2Z.C3

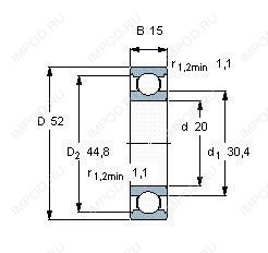
6304 2Z.C3 — Подшипник однорядный шариковый радиальный, импортное производство по ISO стандарту, размер 20x52x15 номер основного исполнения 6304.
Производитель: FAG.
2Z = Металлические шайбы с каждой стороны подшипника.
Цена от:99 р.
Цена на подшипник зависит от:
| Обозначение | Модификация |
|---|---|
| 6304 | Основное конструктивное исполнение. |
| S6304 | |
| 6304E | Е = Увеличенная грузоподъемность. |
| 6304R | R = Наружное кольцо с фланцем . |
| 6304ZE | Е = Увеличенная грузоподъемность. |
| 6304BI | B = однокомпонентное ребристое внутреннее кольцо. |
| 6304LB | LB - массивный сепаратор из лёгкого сплава, центрирование по внутреннему кольцу. |
| 6304-Z | Металлический экран с одной стороны. |
| 6304EE | Е = Увеличенная грузоподъемность. |
| 6304LU | LU = RS1 (SKF) = шариковый подшипник с трущим уплотнением с одной стороны. Уплотнение обычно состоит из шайбы из листовой стали и прорезиненной ткани. |
| 6304VV | V = Увеличенная грузоподъемность, внутренняя модификация конструкции. |
| 6304UU | Резиновое уплотнение на каждой стороне подшипника. |
| 6304DD | DD = резиновые уплотнения на каждой стороне подшипника. |
| 6304 N | N = Канавка под стопорное кольцо в наружном кольце |
| W 6304 | |
| 6304NSE | S = смазочный паз и три отверстия в наружном кольце подшипника. |
| 6304ZZN | ZZ = Два металлических экрана. |
| 6304ZZE | ZZ = Два металлических экрана. |
| 6304NEE | Е = Увеличенная грузоподъемность. |
| 6304-RS | R = Наружное кольцо с фланцем . |
| 6304/22 | |
| AC-6304 | |
| 6304NKE | К = Коническая посадка, конусность 1:12. |
| 6304B12 | B = однокомпонентное ребристое внутреннее кольцо. |
| 6304LLB | LLB = Уплотнение из синтетического каучука бесконтактного типа. |
| 6304/17 | |
| EC-6304 | |
| 6304 2Z | 2Z = Металлические шайбы с каждой стороны подшипника. |
| 6304 C3 | C3 = Радиальный внутренний зазор больше нормального. |
| 6304G15 | G15 = Формованная литьевая клетка из армированного стекловолокном полиамида 6,6, с вращающимся элементом по центру. |
| 6304DDU | DDU = резиновые уплотнения на каждой стороне подшипника. |
| 6304LLH | LL = Лабиринтные уплотнения с обеих сторон (уплотнение L-типа - все части уплотнения L-типа покрыты цинком с всех сторон для улучшения защиты от коррозии - без трения уплотнения ). H = Штампованный защелкивающийся стальной сепаратор, закаленный. |
| 6304NRZ | Стопорное кольцо и проточка под него в наружном кольце подшипника. |
| 6304LLU | LLU = Резиновые уплотнения на каждой стороне подшипника. |
| SS 6304 | |
| 6304 ZZ | ZZ = Два металлических экрана. |
| 6304 NR | Стопорное кольцо и проточка под него в наружном кольце подшипника. |
| 6304-2RD | R = Наружное кольцо с фланцем . |
| 6304-RSH | R = Наружное кольцо с фланцем . |
| 6304-RSL | R = Наружное кольцо с фланцем . |
| 6304-ZNR | Стопорное кольцо и проточка под него в наружном кольце подшипника. |
| 6304-RS2 | S2 = Кольца подшипника стабилизированы для рабочих температур до + 250 С. |
| 6304ZENR | Стопорное кольцо и проточка под него в наружном кольце подшипника. |
| 6304 2RS | Резиновые уплотнения с каждой стороны подшипника. |
| F-6304J1 | J = Сепаратор стальной штампованный незакалённый. |
| P6304-SB | S (Сегментное уплотнение, код 2L) = кулачковый толкатель, Camrol, герметичная версия. B = шестигранное отверстие ,заменяет шлиц отвертки в конце фланца штока. |
| P6304-GB | G = Однорядный радиально-упорный шарикоподшипник для универсального парного монтажа. Два подшипника, установленные по 0-образной или Х-образной схеме, будут иметь определенный осевой зазор в домонтажном состоянии. |
| 6304-Z-N | Металлический экран с одной стороны. |
| 6304LTZZ | ZZ = Два металлических экрана. |
| S6304-2Z | 2Z = Металлические шайбы с каждой стороны подшипника. |
| Техника | Модель | Агрегат |
|---|---|---|
| Трактор | Т-151К с двигателем СМД-62А-63А | Двигатель/вал кулачковый насоса топливного |
| Saab | 96 1960-1980 | Полуось заднего моста VKBA 589 |
| Saab | 96 Sport 1962-1967 | Полуось заднего моста VKBA 589 |
Габаритные размеры
Конструкция и исполнение
Однорядный цилиндрический роликовый подшипник NU304 (FBJ, IBC, ISB, ISO, KOYO)
Однорядный цилиндрический роликовый подшипник NJ304 (FAG, FBJ, ISB, ISO, KOYO)
Подшипник шариковый радиальный 6-304 (ГПЗ-2)
Подшипник роликовый радиальный самоцентрирующийся 20-304 (ISO, SIGMA)
Подшипник шариковый радиальный сферический двухрядный с цилиндрическим отверстием внутреннего кольца 1304
Подшипник шариковый радиальный однорядный 304