Главная > Однорядные >6300 2Z.C3

6300 2Z.C3 — Подшипник однорядный шариковый радиальный, импортное производство по ISO стандарту, размер 10x35x11 номер основного исполнения 6300.
Производитель: FAG.
2Z = Металлические шайбы с каждой стороны подшипника.
Цена от:69 р.
Цена на подшипник зависит от:
| Обозначение | Модификация |
|---|---|
| 6300N | N = Канавка под стопорное кольцо в наружном кольце |
| S6300 | |
| W 6300 | |
| 6300DD | DD = резиновые уплотнения на каждой стороне подшипника. |
| 6300NR | Стопорное кольцо и проточка под него в наружном кольце подшипника. |
| 6300LU | LU = RS1 (SKF) = шариковый подшипник с трущим уплотнением с одной стороны. Уплотнение обычно состоит из шайбы из листовой стали и прорезиненной ткани. |
| 6300ZE | Е = Увеличенная грузоподъемность. |
| 6300VV | V = Увеличенная грузоподъемность, внутренняя модификация конструкции. |
| 6300UU | Резиновое уплотнение на каждой стороне подшипника. |
| 6300-Z | Металлический экран с одной стороны. |
| 6300EE | Е = Увеличенная грузоподъемность. |
| 6300DDU | DDU = резиновые уплотнения на каждой стороне подшипника. |
| 6300 2Z | 2Z = Металлические шайбы с каждой стороны подшипника. |
| 6300NSE | S = смазочный паз и три отверстия в наружном кольце подшипника. |
| 6300LLB | LLB = Уплотнение из синтетического каучука бесконтактного типа. |
| 6300 C3 | C3 = Радиальный внутренний зазор больше нормального. |
| 6300 ZZ | ZZ = Два металлических экрана. |
| 6300LLU | LLU = Резиновые уплотнения на каждой стороне подшипника. |
| 6300ZZE | ZZ = Два металлических экрана. |
| 6300-RS | R = Наружное кольцо с фланцем . |
| AC-6300 | |
| EC-6300 | |
| SS 6300 | |
| 6300LLH | LL = Лабиринтные уплотнения с обеих сторон (уплотнение L-типа - все части уплотнения L-типа покрыты цинком с всех сторон для улучшения защиты от коррозии - без трения уплотнения ). H = Штампованный защелкивающийся стальной сепаратор, закаленный. |
| 6300NKE | К = Коническая посадка, конусность 1:12. |
| 6300 ZNR | Стопорное кольцо и проточка под него в наружном кольце подшипника. |
| 6300-2RS | Резиновые уплотнения с каждой стороны подшипника. |
| 6300-2RU | Манжетное бесконтактное уплотнение с обеих сторон. |
| 6300ZENR | Стопорное кольцо и проточка под него в наружном кольце подшипника. |
| 6300ZZNR | ZZ = Два металлических экрана. NR = Стопорное кольцо Groove В наружном кольце подшипника и целесообразное стопорное кольцо. |
| 6300-RS2 | S2 = Кольца подшипника стабилизированы для рабочих температур до + 250 С. |
| P6300-SB | S (Сегментное уплотнение, код 2L) = кулачковый толкатель, Camrol, герметичная версия. B = шестигранное отверстие ,заменяет шлиц отвертки в конце фланца штока. |
| 6300-RSH | R = Наружное кольцо с фланцем . |
| P6300-GB | G = Однорядный радиально-упорный шарикоподшипник для универсального парного монтажа. Два подшипника, установленные по 0-образной или Х-образной схеме, будут иметь определенный осевой зазор в домонтажном состоянии. |
| 6300-RSL | R = Наружное кольцо с фланцем . |
| S6300-2Z | 2Z = Металлические шайбы с каждой стороны подшипника. |
| 6300-2RD | R = Наружное кольцо с фланцем . |
| W 6300-2Z | 2Z = Металлические шайбы с каждой стороны подшипника. |
| 6300 Z.C3 | C3 = Радиальный внутренний зазор больше нормального. |
| 6300-2RS2 | Резиновые уплотнения с каждой стороны подшипника. |
| 6300-2NKE | К = Коническая посадка, конусность 1:12. |
| AC-6300ZZ | ZZ = Два металлических экрана. |
| 6300-2RSH | Резиновые уплотнения с каждой стороны подшипника. |
| 6300-2RSL | Резиновые уплотнения с каждой стороны подшипника. |
| 6300-2NSE | S = смазочный паз и три отверстия в наружном кольце подшипника. |
| 6300-2RSR | 2RSR = Резиновые уплотнения с каждой стороны подшипника. |
| EC-6300ZZ | ZZ = Два металлических экрана. |
| S6300-2RS | Резиновые уплотнения с каждой стороны подшипника. |
| SS 6300-ZZ | ZZ = Два металлических экрана. |
| W 6300-2RZ | 2RZ = Шариковый подшипник, с уплотнением низкого трения на обеих сторонах. Уплотнение состоит из шайбы тонколистовой стали с вулканизированной резиной. |
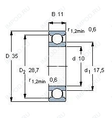
Габаритные размеры
Конструкция и исполнение
Подшипник шариковый однорядный радиально-упорный 7300 (CYSD, KOYO, NACHI, NSK, NTN)
Подшипник однорядный шариковый радиальный 6-300 (AST, CRAFT, CX, CYSD, FAG)
Подшипник однорядный шариковый радиальный 63000 (NIS, SKF)
Подшипник шариковый радиальный сферический двухрядный с цилиндрическим отверстием внутреннего кольца 1300 (ГПЗ-8)
Подшипник шариковый однорядный радиально-упорный 7300 BW (NSK)