Главная > Подшипники> Шариковые> Радиальные>63/22NR

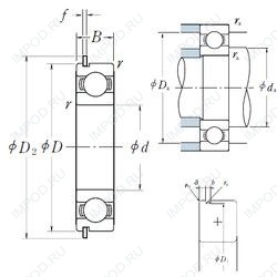
63/22NR — Подшипник однорядный шариковый радиальный, импортное производство по ISO стандарту, размер 22x56x16 номер основного исполнения .
Производится брендами: KOYO, NACHI, NIS, NSK, NTN.
Стопорное кольцо и проточка под него в наружном кольце подшипника.
Цена от:329 р.
Цена на подшипник зависит от:
Габаритные размеры
Размеры и геометрические характеристики
Нагрузка и ресурс
Защита
Коэффициенты для расчета
Присоединительные размеры
Конструкция и исполнение
Другие размеры
Прочие характеристики
Радиальный шарикоподшипник 63/22-2RU (KOYO)
Радиальный шарикоподшипник 63/22-2NKE (NACHI)
Радиальный шарикоподшипник 63/22-2NSE (NACHI)
Подшипник шариковый радиальный 63/22DDCX15G101 (KBC)
Радиальный шарикоподшипник 63/22LLH (NTN)
Подшипник однорядный шариковый радиальный 63/22-2RS C3 (PFI)