Главная > Однорядные >627 2Z.C3

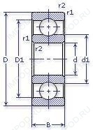
627 2Z.C3 — Подшипник однорядный шариковый радиальный, импортное производство по ISO стандарту, размер 7x22x7 номер основного исполнения 627.
Производитель: SKF.
2Z = Металлические шайбы с каждой стороны подшипника.
Цена от:46 р.
Цена на подшипник зависит от:
| Обозначение | Модификация |
|---|---|
| 627 | Основное конструктивное исполнение. |
| F627 | |
| 627Z | Металлический экран с одной стороны. |
| S627 | |
| 627H | H = высокая, узкая каретка для двухрядного шарикоподшипника и направляющей в сборе. |
| F627H | H = высокая, узкая каретка для двухрядного шарикоподшипника и направляющей в сборе. |
| NC627 | |
| SF627 | |
| 627EE | Е = Увеличенная грузоподъемность. |
| 627SS | S = смазочный паз и три отверстия в наружном кольце подшипника. |
| W 627 | |
| F627VV | V = Увеличенная грузоподъемность, внутренняя модификация конструкции. |
| F627ZZ | ZZ = Два металлических экрана. |
| 627-2Z | 2Z = Металлические шайбы с каждой стороны подшипника. |
| 627 ZZ | ZZ = Два металлических экрана. |
| F627DD | DD = резиновые уплотнения на каждой стороне подшипника. |
| 627 VV | V = Увеличенная грузоподъемность, внутренняя модификация конструкции. |
| 627 DD | DD = резиновые уплотнения на каждой стороне подшипника. |
| 627HZZ | ZZ = Два металлических экрана. |
| 627-RS | R = Наружное кольцо с фланцем . |
| SS 627 | |
| 627LLU | LLU = Резиновые уплотнения на каждой стороне подшипника. |
| 627LLB | LLB = Уплотнение из синтетического каучука бесконтактного типа. |
| 627 C3 | C3 = Радиальный внутренний зазор больше нормального. |
| W 627 R | R = Наружное кольцо с фланцем . |
| F627HZZ | ZZ = Два металлических экрана. |
| F627-2Z | 2Z = Металлические шайбы с каждой стороны подшипника. |
| 627-2RS | Резиновые уплотнения с каждой стороны подшипника. |
| 627-RSH | R = Наружное кольцо с фланцем . |
| P627-GB | G = Однорядный радиально-упорный шарикоподшипник для универсального парного монтажа. Два подшипника, установленные по 0-образной или Х-образной схеме, будут иметь определенный осевой зазор в домонтажном состоянии. |
| P627-SB | S (Сегментное уплотнение, код 2L) = кулачковый толкатель, Camrol, герметичная версия. B = шестигранное отверстие ,заменяет шлиц отвертки в конце фланца штока. |
| S627-2Z | 2Z = Металлические шайбы с каждой стороны подшипника. |
| 627-2RU | Манжетное бесконтактное уплотнение с обеих сторон. |
| 627-2RD | R = Наружное кольцо с фланцем . |
| 627-RSL | R = Наружное кольцо с фланцем . |
| 627-RSR | R = Наружное кольцо с фланцем . |
| F627-2RS | Резиновые уплотнения с каждой стороны подшипника. |
| 627H-2RS | Резиновые уплотнения с каждой стороны подшипника. |
| S627-2RS | Резиновые уплотнения с каждой стороны подшипника. |
| 627-2RSR | 2RSR = Резиновые уплотнения с каждой стороны подшипника. |
| 627-2RSL | Резиновые уплотнения с каждой стороны подшипника. |
| SF627-2Z | 2Z = Металлические шайбы с каждой стороны подшипника. |
| W 627-2Z | 2Z = Металлические шайбы с каждой стороны подшипника. |
| 627 2RSH | Резиновые уплотнения с каждой стороны подшипника. |
| SF627-2RS | Резиновые уплотнения с каждой стороны подшипника. |
| SS 627-ZZ | ZZ = Два металлических экрана. |
| W 627-2RZ | 2RZ = Шариковый подшипник, с уплотнением низкого трения на обеих сторонах. Уплотнение состоит из шайбы тонколистовой стали с вулканизированной резиной. |
| E2.627-2Z | Energy Efficient bearings. 2Z = Металлические шайбы с каждой стороны подшипника. |
| 627-2RS C3 | 2RS = Резиновые пыле-влагозащитные уплотнения с каждой стороны подшипника. C3 = Внутренний Зазор Больше Обычного. |
| 627/HR11TN | TN = Полиамидная клетка. |
| Техника | Модель | Агрегат |
|---|---|---|
| МАЗ | 543 | Редуктор 2-го заднего моста |
| МАЗ | 7310 | Редуктор 2-го заднего моста |
| МАЗ | 73101 | Редуктор 2-го заднего моста |
| МАЗ | 543 | Редуктор 2-го переднего моста |
| МАЗ | 547 | Редуктор 2-го переднего моста |
| МАЗ | 7310 | Редуктор 2-го переднего моста |
| МАЗ | 73101 | Редуктор 2-го переднего моста |
| МАЗ | 7410 | Редуктор 2-го переднего моста |
| МАЗ | 537Г | Редуктор/передача главная |
| МАЗ | 537 | Редуктор/передача главная |
| МАЗ | 538 | Редуктор/передача главная |
Подшипник шариковый двухрядный самоустанавливающийся 127 (CX, ISO, KOYO, NIS, NSK)
Подшипник шариковый радиальный 6-27 (ГПЗ-4)
Подшипник шариковый радиальный однорядный с одной защитной шайбой 60027
Подшипник шариковый радиально-сферический 127 TVH (FAG, SKF)
Подшипник шариковый радиальный однорядный 15-27