Главная > Однорядные >626 2Z.C3

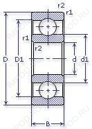
626 2Z.C3 — Подшипник однорядный шариковый радиальный, импортное производство по ISO стандарту, размер 6x19x6 номер основного исполнения 626.
Производитель: IBC.
2Z = Металлические шайбы с каждой стороны подшипника.
Цена от:49 р.
Цена на подшипник зависит от:
| Обозначение | Модификация |
|---|---|
| 626 | Основное конструктивное исполнение. |
| F626 | |
| W626 | |
| 626H | H = высокая, узкая каретка для двухрядного шарикоподшипника и направляющей в сборе. |
| S626 | |
| 626RS | R = Наружное кольцо с фланцем . |
| 626-Z | Металлический экран с одной стороны. |
| F626H | H = высокая, узкая каретка для двухрядного шарикоподшипника и направляющей в сборе. |
| FL626 | |
| NC626 | |
| 626EE | Е = Увеличенная грузоподъемность. |
| SF626 | |
| 626SS | S = смазочный паз и три отверстия в наружном кольце подшипника. |
| 626 2Z | 2Z = Металлические шайбы с каждой стороны подшипника. |
| F626ZZ | ZZ = Два металлических экрана. |
| F626VV | V = Увеличенная грузоподъемность, внутренняя модификация конструкции. |
| F626DD | DD = резиновые уплотнения на каждой стороне подшипника. |
| FL626Z | Металлический экран с одной стороны. |
| 626 ZZ | ZZ = Два металлических экрана. |
| 626 VV | V = Увеличенная грузоподъемность, внутренняя модификация конструкции. |
| 626 DD | DD = резиновые уплотнения на каждой стороне подшипника. |
| 626LLB | LLB = Уплотнение из синтетического каучука бесконтактного типа. |
| 626LLU | LLU = Резиновые уплотнения на каждой стороне подшипника. |
| 626HZZ | ZZ = Два металлических экрана. |
| SS 626 | |
| 626-2RU | Манжетное бесконтактное уплотнение с обеих сторон. |
| W 626 R | R = Наружное кольцо с фланцем . |
| 626-RSL | R = Наружное кольцо с фланцем . |
| F626ZZ1 | ZZ = Два металлических экрана. |
| 626-2RS | Резиновые уплотнения с каждой стороны подшипника. |
| W626-2Z | 2Z = Металлические шайбы с каждой стороны подшипника. |
| F626-2Z | 2Z = Металлические шайбы с каждой стороны подшипника. |
| FL626ZZ | ZZ = Два металлических экрана. |
| P626-SB | S (Сегментное уплотнение, код 2L) = кулачковый толкатель, Camrol, герметичная версия. B = шестигранное отверстие ,заменяет шлиц отвертки в конце фланца штока. |
| P626-GB | G = Однорядный радиально-упорный шарикоподшипник для универсального парного монтажа. Два подшипника, установленные по 0-образной или Х-образной схеме, будут иметь определенный осевой зазор в домонтажном состоянии. |
| 626 ZZ1 | ZZ = Два металлических экрана. |
| 626-2RD | R = Наружное кольцо с фланцем . |
| S626-2Z | 2Z = Металлические шайбы с каждой стороны подшипника. |
| 626-RSR | R = Наружное кольцо с фланцем . |
| 626ZZNR | ZZ = Два металлических экрана. NR = Стопорное кольцо Groove В наружном кольце подшипника и целесообразное стопорное кольцо. |
| 626-RSH | R = Наружное кольцо с фланцем . |
| 626-2RSH | Резиновые уплотнения с каждой стороны подшипника. |
| F626-2RS | Резиновые уплотнения с каждой стороны подшипника. |
| 626-2RSR | 2RSR = Резиновые уплотнения с каждой стороны подшипника. |
| 626-2RSL | Резиновые уплотнения с каждой стороны подшипника. |
| S626-2RS | Резиновые уплотнения с каждой стороны подшипника. |
| 626H-2RS | Резиновые уплотнения с каждой стороны подшипника. |
| SF626-2Z | 2Z = Металлические шайбы с каждой стороны подшипника. |
| E2.626-2Z | Energy Efficient bearings. 2Z = Металлические шайбы с каждой стороны подшипника. |
| W626-2RS1 | Резиновые уплотнения с каждой стороны подшипника. |
Подшипник шариковый радиально-упорный однорядный разъемный со съемным наружным кольцом с углом контакта 12 6026
Подшипник шариковый упорный однонаправленный 1006
Подшипник шариковый радиально-сферический 126 TVH (FAG)
Подшипник шариковый радиальный однорядный 05-26 У
Подшипник шариковый радиальный однорядный 05-26