Главная > Подшипники> Роликовые > Радиально-упорные>623/612A

623/612A — Подшипник роликовый радиально-упорный, импортное производство по ISO стандарту, размер 57x120x41 номер основного исполнения .
Производитель: KOYO.
A = внутренняя модификация конструкции.
Цена от:52 р.
Цена на подшипник зависит от:
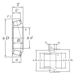
Габаритные размеры
Размеры и геометрические характеристики
Нагрузка и ресурс
Защита
Коэффициенты для расчета
Присоединительные размеры
Конструкция и исполнение
Конический роликоподшипник 4T-623/612 (NTN)
Однорядный конический роликовый подшипник 623/612 (CX, FBJ, ISO, KOYO, TIMKEN)
Подшипник роликовый радиально-упорный 623A/612 (KOYO, TIMKEN)
Конический роликоподшипник 623/612-S (TIMKEN)
Однорядный конический роликовый подшипник 623/612B (TIMKEN)