Главная > Подшипники> Роликовые > Радиально-упорные>622A/612

622A/612 — Однорядный конический роликовый подшипник, импортное производство по ISO стандарту, размер 55x120x41 номер основного исполнения .
Производитель: KOYO.
A = внутренняя модификация конструкции.
Цена по запросу
Цена на подшипник зависит от:
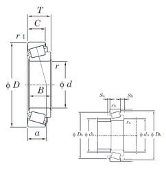
Габаритные размеры
Размеры и геометрические характеристики
Нагрузка и ресурс
Защита
Коэффициенты для расчета
Присоединительные размеры
Конструкция и исполнение
Конический роликоподшипник 622A/612A (TIMKEN)
Подшипник роликовый радиально-упорный 622X/612 (KOYO)