Главная > Подшипники> Шариковые> Радиально-упорные>6222BI

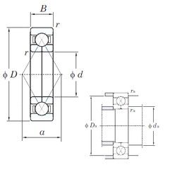
6222BI — Радиально-упорный шарикоподшипник, импортное производство по ISO стандарту, размер 110x200x38 номер основного исполнения 6222.
Производитель: KOYO.
B = однокомпонентное ребристое внутреннее кольцо.
Цена от:190 р.
Цена на подшипник зависит от:
| Обозначение | Модификация |
|---|---|
| 6222ZX | 2Z = Металлические шайбы с каждой стороны подшипника. |
| 6222ZZX | ZZ = Два металлических экрана. X = Внешние размеры, соответствующие международным стандартам. |
| 6222 ZZ | 2Z = Металлические шайбы с каждой стороны подшипника. |
| 6222ZNR | 2Z = Металлические шайбы с каждой стороны подшипника. |
| 6222-RS | Резиновые уплотнения с каждой стороны подшипника. |
| 6222-RS1 | Резиновые уплотнения с каждой стороны подшипника. |
| 6222LLUNR | LLU = Резиновые уплотнения на каждой стороне подшипника. |
| 6222-2RSR | 2RSR = Резиновые уплотнения с каждой стороны подшипника. |
| 6222/C3VL0241 | C3 = Радиальный внутренний зазор больше нормального. |
| 6222 M/C3VL0241 | M = Цельный латунный сепаратор, с шариковой направляющей. C3 = Радиальный внутренний зазор подшипника больше, чем обычно. |
Габаритные размеры
Размеры и геометрические характеристики
Нагрузка и ресурс
Защита
Присоединительные размеры
Конструкция и исполнение
Однорядный цилиндрический роликовый подшипник NJ222 (CRAFT, FAG, ISB, ISO, KOYO)
Однорядный цилиндрический роликовый подшипник NU222 (CRAFT, FAG, ISB, ISO, KOYO)
Подшипник роликовый сферический 20222 (FAG, ISO)
Подшипник шариковый двухрядный самоустанавливающийся 1222 (AST, CX, FAG, ISB, ISO)
Подшипник шариковый радиальный сферический двухрядный с коническим отверстием внутреннего кольца 111222 (ГПЗ-1)