Главная > Подшипники> Шариковые> Радиальные>6217

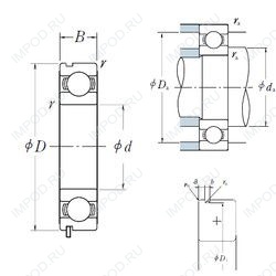
6217 — Подшипник однорядный шариковый радиальный, импортное производство по ISO стандарту, размер 85x150x28 основное исполнение.
Производится брендами: AST, CRAFT, CX, CYSD, FAG, FBJ, Fersa, ISB, ISO, KBC, KOYO, MPZ, NACHI, NIS, NKE
Цена от:980 р.
Цена на подшипник зависит от:
| Обозначение | Модификация |
|---|---|
| M6217 | |
| 6217EE | Е = Увеличенная грузоподъемность. |
| 6217LU | LU = RS1 (SKF) = шариковый подшипник с трущим уплотнением с одной стороны. Уплотнение обычно состоит из шайбы из листовой стали и прорезиненной ткани. |
| 6217DD | DD = резиновые уплотнения на каждой стороне подшипника. |
| 6217LB | LB - массивный сепаратор из лёгкого сплава, центрирование по внутреннему кольцу. |
| 6217NK | К = Коническая посадка, конусность 1:12. |
| 6217 N | N = Канавка под стопорное кольцо в наружном кольце |
| 6217BI | B = однокомпонентное ребристое внутреннее кольцо. |
| 6217 M | M = массивный латунный сепаратор. |
| 6217-Z | Металлический экран с одной стороны. |
| 6217VV | V = Увеличенная грузоподъемность, внутренняя модификация конструкции. |
| 6217NSL | S = смазочный паз и три отверстия в наружном кольце подшипника. |
| 6217ZNR | Стопорное кольцо и проточка под него в наружном кольце подшипника. |
| 6217 2Z | 2Z = Металлические шайбы с каждой стороны подшипника. |
| 6217LLB | LLB = Уплотнение из синтетического каучука бесконтактного типа. |
| 6217 ZZ | ZZ = Два металлических экрана. |
| M6217ZZ | ZZ = Два металлических экрана. |
| 6217-RS | R = Наружное кольцо с фланцем . |
| 6217-NR | Стопорное кольцо и проточка под него в наружном кольце подшипника. |
| 6217DDU | DDU = резиновые уплотнения на каждой стороне подшипника. |
| 6217LLU | LLU = Резиновые уплотнения на каждой стороне подшипника. |
| 6217ZZNR | ZZ = Два металлических экрана. NR = Стопорное кольцо Groove В наружном кольце подшипника и целесообразное стопорное кольцо. |
| 6217F600 | Механически обработанный сепаратор из стали или чугуна, центрируемый по телам качения. |
| 6217-RS1 | S1 = Кольца подшипника стабилизированы для рабочих температур до + 200 С. |
| 6217 2RS | Резиновые уплотнения с каждой стороны подшипника. |
| 6217-2RU | Манжетное бесконтактное уплотнение с обеих сторон. |
| 6217-Z-N | Металлический экран с одной стороны. |
| 6217-RSR | R = Наружное кольцо с фланцем . |
| 6217-2NK | К = Коническая посадка, конусность 1:12. |
| 6217-2NSL | S = смазочный паз и три отверстия в наружном кольце подшипника. |
| 6217-2Z-N | 2Z = Металлические шайбы с каждой стороны подшипника. |
| 6217-2RSR | 2RSR = Резиновые уплотнения с каждой стороны подшипника. |
| 6217-2RS1 | Резиновые уплотнения с каждой стороны подшипника. |
| 6217-2Z-NR | 2Z = Металлические шайбы с каждой стороны подшипника. |
| 6217 DDUC3 | DDU = резиновые уплотнения на каждой стороне подшипника. C3 = Радиальный внутренний зазор больше, чем обычно. |
| 6217 MA.C3 | MA = Механически обработанный латунный сепаратор наружным кольцом. C3 = Радиальный внутренний зазор подшипника больше, чем обычно. |
| 217 (6217) | |
| 6217/VA201 | V = Увеличенная грузоподъемность, внутренняя модификация конструкции. |
| 6217/HC5C3 | C3 = Радиальный внутренний зазор больше нормального. |
| 6217 2RSR.C3 | 2RSR = Резиновые уплотнения с каждой стороны подшипника. |
| 6217/C3VL0241 | C3 = Радиальный внутренний зазор больше нормального. |
| 6217-2Z/VA208 | 2Z = Закрыт с двух сторон шайбами из прессованной листовой стали. VA208 = Подшипник для высокотемпературных применений, температурный режим 350 градусовC |
Габаритные размеры
Размеры и геометрические характеристики
Нагрузка и ресурс
Защита
Коэффициенты для расчета
Присоединительные размеры
Конструкция и исполнение
Прочие характеристики
Однорядный цилиндрический роликовый подшипник NJ217 (CRAFT, FAG, FBJ, ISB, ISO)
Однорядный цилиндрический роликовый подшипник NU217 (CRAFT, FBJ, ISB, ISO, KOYO)
Подшипник шариковый радиальный 6-217
Подшипник роликовый сферический 20217 (FAG, ISO)
Подшипник шариковый радиальный сферический двухрядный с цилиндрическим отверстием внутреннего кольца 1217 (ГПЗ-8)