
6212/HC5C3 — Подшипник однорядный шариковый радиальный, импортное производство по ISO стандарту, размер 110x60x22 номер основного исполнения 6212.
Производитель: SKF.
C3 = Радиальный внутренний зазор больше нормального.
Цена от:1 152 р.
Цена на подшипник зависит от:
| Обозначение | Модификация |
|---|---|
| 6212 | Основное конструктивное исполнение. |
| 6212E | Е = Увеличенная грузоподъемность. |
| M6212 | |
| S6212 | |
| 6212D2 | D = профиль наружного кольца, усовершенствованный, с увеличенной зоной несущей нагрузки и оптимизированными краевыми переходами. |
| 6212VV | V = Увеличенная грузоподъемность, внутренняя модификация конструкции. |
| 6212-Z | 2Z = Металлические шайбы с каждой стороны подшипника. |
| 6212LU | LU = RS1 (SKF) = шариковый подшипник с трущим уплотнением с одной стороны. Уплотнение обычно состоит из шайбы из листовой стали и прорезиненной ткани. |
| 6212EE | Е = Увеличенная грузоподъемность. |
| 6212DD | DD = резиновые уплотнения на каждой стороне подшипника. |
| 6212UU | Резиновое уплотнение на каждой стороне подшипника. |
| 6212NR | Стопорное кольцо и проточка под него в наружном кольце подшипника. |
| 6212BI | B = однокомпонентное ребристое внутреннее кольцо. |
| 6212LB | LB - массивный сепаратор из лёгкого сплава, центрирование по внутреннему кольцу. |
| 6212 M | M = массивный латунный сепаратор. |
| 6212ZE | 2Z = Металлические шайбы с каждой стороны подшипника. |
| 6212 N | N = Канавка под стопорное кольцо в наружном кольце |
| 6212-2Z | 2Z = Металлические шайбы с каждой стороны подшипника. |
| 6212LLU | LLU = Резиновые уплотнения на каждой стороне подшипника. |
| 6212 ZZ | 2Z = Металлические шайбы с каждой стороны подшипника. |
| 6212ZZE | 2Z = Металлические шайбы с каждой стороны подшипника. |
| 6212NSE | S = смазочный паз и три отверстия в наружном кольце подшипника. |
| 6212SEE | S = смазочный паз и три отверстия в наружном кольце подшипника. |
| 6212DDU | DDU = резиновые уплотнения на каждой стороне подшипника. |
| M6212ZZ | 2Z = Металлические шайбы с каждой стороны подшипника. |
| 6212-RS | Резиновые уплотнения с каждой стороны подшипника. |
| 6212 C3 | C3 = Радиальный внутренний зазор больше нормального. |
| SS 6212 | |
| 6212 TB | ТВ = текстолитовый сепаратор, центрируемый по внутреннему кольцу. |
| 6212LLB | LLB = Уплотнение из синтетического каучука бесконтактного типа. |
| 6212NKE | К = Коническая посадка, конусность 1:12. |
| 6212NRZ | Стопорное кольцо и проточка под него в наружном кольце подшипника. |
| 6212ZENR | 2Z = Металлические шайбы с каждой стороны подшипника. |
| 6212-2RD | R = Наружное кольцо с фланцем . |
| 6212F600 | Механически обработанный сепаратор из стали или чугуна, центрируемый по телам качения. |
| 6212-ZNR | 2Z = Металлические шайбы с каждой стороны подшипника. |
| 6212-RS1 | Резиновые уплотнения с каждой стороны подшипника. |
| 6212-RS2 | Резиновые уплотнения с каждой стороны подшипника. |
| 6212-2RU | Манжетное бесконтактное уплотнение с обеих сторон. |
| 6212-Z-N | 2Z = Металлические шайбы с каждой стороны подшипника. |
| 6212-2RS | Резиновые уплотнения с каждой стороны подшипника. |
| 6212LLBNR | LLB = Уплотнение из синтетического каучука бесконтактного типа. |
| 6212-2Z-N | 2Z = Металлические шайбы с каждой стороны подшипника. |
| 6212-2RS1 | Резиновые уплотнения с каждой стороны подшипника. |
| 6212-2NKE | К = Коническая посадка, конусность 1:12. |
| 6212-ZZNR | ZZ = Два металлических экрана. NR = Стопорное кольцо Groove В наружном кольце подшипника и целесообразное стопорное кольцо. |
| 6212-2RS2 | Резиновые уплотнения с каждой стороны подшипника. |
| S6212-2RS | Резиновые уплотнения с каждой стороны подшипника. |
| 6212 M.C3 | M = Цельный латунный сепаратор, с шариковой направляющей. C3 = Радиальный внутренний зазор подшипника больше, чем обычно. |
| 6212-2ZNR | 2Z = Металлические шайбы с каждой стороны подшипника. |
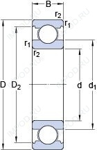
Габаритные размеры
Размеры и геометрические характеристики
Нагрузка и ресурс
Коэффициенты для расчета
Присоединительные размеры
Прочие характеристики
Однорядный цилиндрический роликовый подшипник N212 ECP (FAG, SKF)
Однорядный цилиндрический роликовый подшипник NJ212 ECJ (NKE, SKF)
Однорядный цилиндрический роликовый подшипник NJ212 ECP (NKE, SKF)
Однорядный цилиндрический роликовый подшипник NU212 ECJ (NKE, SKF)
Однорядный цилиндрический роликовый подшипник NU212 ECP (NKE, SKF)
Самоустанавливающиеся шарикоподшипник с цилиндрическими и коническими отверстиями 1212 EKTN9 (SKF)