
6203-2ZNR — Подшипник однорядный шариковый радиальный, импортное производство по ISO стандарту, размер 17x40x12 номер основного исполнения 6203.
Производится брендами: NKE, SKF.
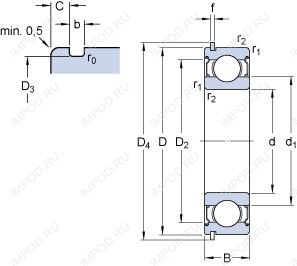
Стопорное кольцо и проточка под него в наружном кольце подшипника.
Цена от:154 р.
Цена на подшипник зависит от:
| Обозначение | Модификация |
|---|---|
| 6203 | Основное конструктивное исполнение. |
| 6203P | P = Литой сепаратор из стеклонаполненного полиамида 6,6, центрируемый по телам качения. |
| 6203E | Е = Увеличенная грузоподъемность. |
| M6203 | |
| S6203 | |
| 6203ZE | Е = Увеличенная грузоподъемность. |
| 6203VV | V = Увеличенная грузоподъемность, внутренняя модификация конструкции. |
| 6203UU | Резиновое уплотнение на каждой стороне подшипника. |
| 6203LB | LB - массивный сепаратор из лёгкого сплава, центрирование по внутреннему кольцу. |
| 6203DD | DD = резиновые уплотнения на каждой стороне подшипника. |
| 6203NZ | Металлический экран с одной стороны. |
| 6203EE | Е = Увеличенная грузоподъемность. |
| 6203LT | T = Механически обработанный сепаратор из текстолита, центрируемый по телам качения. |
| W 6203 | |
| 6203LU | LU = RS1 (SKF) = шариковый подшипник с трущим уплотнением с одной стороны. Уплотнение обычно состоит из шайбы из листовой стали и прорезиненной ткани. |
| 6203 N | N = Канавка под стопорное кольцо в наружном кольце |
| NC6203 | |
| 6203-Z | Металлический экран с одной стороны. |
| 6203-C | С = Необслуживаемые концы стержней, внутренняя резьба. |
| 6203-ZP | Металлический экран с одной стороны. |
| 6203NKE | К = Коническая посадка, конусность 1:12. |
| 6203-RS | R = Наружное кольцо с фланцем . |
| 6203NSE | S = смазочный паз и три отверстия в наружном кольце подшипника. |
| 6203LLH | LL = Лабиринтные уплотнения с обеих сторон (уплотнение L-типа - все части уплотнения L-типа покрыты цинком с всех сторон для улучшения защиты от коррозии - без трения уплотнения ). H = Штампованный защелкивающийся стальной сепаратор, закаленный. |
| 6203LLU | LLU = Резиновые уплотнения на каждой стороне подшипника. |
| 6203T1X | T = Механически обработанный сепаратор из текстолита, центрируемый по телам качения. |
| SS 6203 | |
| 6203 TB | ТВ = текстолитовый сепаратор, центрируемый по внутреннему кольцу. |
| 6203 2Z | 2Z = Металлические шайбы с каждой стороны подшипника. |
| 6203G15 | G15 = Формованная литьевая клетка из армированного стекловолокном полиамида 6,6, с вращающимся элементом по центру. |
| 6203/12 | |
| 6203LUZ | LU = RS1 (SKF) = шариковый подшипник с трущим уплотнением с одной стороны. Уплотнение обычно состоит из шайбы из листовой стали и прорезиненной ткани. |
| 6203 ZZ | ZZ = Два металлических экрана. |
| 6203SEE | S = смазочный паз и три отверстия в наружном кольце подшипника. |
| 6203 NR | Стопорное кольцо и проточка под него в наружном кольце подшипника. |
| 6203LLB | LLB = Уплотнение из синтетического каучука бесконтактного типа. |
| 6203ZZE | ZZ = Два металлических экрана. |
| 6203DDU | DDU = резиновые уплотнения на каждой стороне подшипника. |
| AC-6203 | |
| 6203L11 | L = массивный сепаратор из лёгкого сплава. |
| EC-6203 | |
| 6203-2RU | Манжетное бесконтактное уплотнение с обеих сторон. |
| S6203-2Z | 2Z = Металлические шайбы с каждой стороны подшипника. |
| 6203 2RS | Резиновые уплотнения с каждой стороны подшипника. |
| 6203DDF1 | DD = резиновые уплотнения на каждой стороне подшипника. |
| 6203HVZZ | ZZ = Два металлических экрана. |
| 6203NRZZ | ZZ = Два металлических экрана. |
| 6203-RSL | R = Наружное кольцо с фланцем . |
| 6203ZENR | Стопорное кольцо и проточка под него в наружном кольце подшипника. |
| 6203-RS2 | S2 = Кольца подшипника стабилизированы для рабочих температур до + 250 С. |
| Техника | Модель | Агрегат |
|---|---|---|
| ГАЗ | 3309 | Насос вакуумный |
| Мототехника | Минск ММВЗ-3.11211 | Первичный вал коробки передач |
| Мототехника | Минск ММВЗ-3.1135 | Первичный вал коробки передач |
Габаритные размеры
Размеры и геометрические характеристики
Нагрузка и ресурс
Защита
Коэффициенты для расчета
Присоединительные размеры
Конструкция и исполнение
Другие размеры
Прочие характеристики
Однорядный цилиндрический роликовый подшипник N203 (AST, CYSD, ISB, ISO, NACHI)
Однорядный цилиндрический роликовый подшипник NJ203 (CYSD, FAG, ISB, ISO, NACHI)
Однорядный цилиндрический роликовый подшипник NU203 (CYSD, ISB, ISO, NACHI, NIS)
Подшипник шариковый радиальный 6-203
Подшипник шариковый радиальный сферический двухрядный с цилиндрическим отверстием внутреннего кольца 5-1203 (ГПЗ-2)