Главная > Однорядные >6203 2RSH.C3

6203 2RSH.C3 — Подшипник однорядный шариковый радиальный, импортное производство по ISO стандарту, размер 17x40x12 номер основного исполнения 6203.
Производитель: FAG.
Резиновые уплотнения с каждой стороны подшипника.
Цена от:81 р.
Цена на подшипник зависит от:
| Обозначение | Модификация |
|---|---|
| 6203 | Основное конструктивное исполнение. |
| M6203 | |
| S6203 | |
| 6203E | Е = Увеличенная грузоподъемность. |
| 6203P | P = Литой сепаратор из стеклонаполненного полиамида 6,6, центрируемый по телам качения. |
| 6203LB | LB - массивный сепаратор из лёгкого сплава, центрирование по внутреннему кольцу. |
| 6203DD | DD = резиновые уплотнения на каждой стороне подшипника. |
| 6203EE | Е = Увеличенная грузоподъемность. |
| 6203NZ | Металлический экран с одной стороны. |
| NC6203 | |
| 6203LT | T = Механически обработанный сепаратор из текстолита, центрируемый по телам качения. |
| 6203LU | LU = RS1 (SKF) = шариковый подшипник с трущим уплотнением с одной стороны. Уплотнение обычно состоит из шайбы из листовой стали и прорезиненной ткани. |
| 6203 N | N = Канавка под стопорное кольцо в наружном кольце |
| 6203-Z | Металлический экран с одной стороны. |
| 6203-C | С = Необслуживаемые концы стержней, внутренняя резьба. |
| W 6203 | |
| 6203ZE | Е = Увеличенная грузоподъемность. |
| 6203VV | V = Увеличенная грузоподъемность, внутренняя модификация конструкции. |
| 6203UU | Резиновое уплотнение на каждой стороне подшипника. |
| 6203T1X | T = Механически обработанный сепаратор из текстолита, центрируемый по телам качения. |
| 6203 TB | ТВ = текстолитовый сепаратор, центрируемый по внутреннему кольцу. |
| 6203 2Z | 2Z = Металлические шайбы с каждой стороны подшипника. |
| 6203G15 | G15 = Формованная литьевая клетка из армированного стекловолокном полиамида 6,6, с вращающимся элементом по центру. |
| 6203/12 | |
| 6203 ZZ | ZZ = Два металлических экрана. |
| 6203LUZ | LU = RS1 (SKF) = шариковый подшипник с трущим уплотнением с одной стороны. Уплотнение обычно состоит из шайбы из листовой стали и прорезиненной ткани. |
| 6203 NR | Стопорное кольцо и проточка под него в наружном кольце подшипника. |
| 6203LLB | LLB = Уплотнение из синтетического каучука бесконтактного типа. |
| 6203SEE | S = смазочный паз и три отверстия в наружном кольце подшипника. |
| 6203ZZE | ZZ = Два металлических экрана. |
| 6203DDU | DDU = резиновые уплотнения на каждой стороне подшипника. |
| AC-6203 | |
| SS 6203 | |
| 6203L11 | L = массивный сепаратор из лёгкого сплава. |
| EC-6203 | |
| 6203-ZP | Металлический экран с одной стороны. |
| 6203NKE | К = Коническая посадка, конусность 1:12. |
| 6203-RS | R = Наружное кольцо с фланцем . |
| 6203LLH | LL = Лабиринтные уплотнения с обеих сторон (уплотнение L-типа - все части уплотнения L-типа покрыты цинком с всех сторон для улучшения защиты от коррозии - без трения уплотнения ). H = Штампованный защелкивающийся стальной сепаратор, закаленный. |
| 6203NSE | S = смазочный паз и три отверстия в наружном кольце подшипника. |
| 6203LLU | LLU = Резиновые уплотнения на каждой стороне подшипника. |
| 6203HVZZ | ZZ = Два металлических экрана. |
| P6203-GB | 3G = G = Втулки подшипника с возможностью смазки. |
| 6203-RSL | R = Наружное кольцо с фланцем . |
| P6203-SB | S (Сегментное уплотнение, код 2L) = кулачковый толкатель, Camrol, герметичная версия. B = шестигранное отверстие ,заменяет шлиц отвертки в конце фланца штока. |
| 6203NRZZ | ZZ = Два металлических экрана. |
| 6203-RS2 | S2 = Кольца подшипника стабилизированы для рабочих температур до + 250 С. |
| 6203ZENR | Стопорное кольцо и проточка под него в наружном кольце подшипника. |
| 6203DDF2 | DD = резиновые уплотнения на каждой стороне подшипника. |
| 6203LTZZ | ZZ = Два металлических экрана. |
| Техника | Модель | Агрегат |
|---|---|---|
| ГАЗ | 3309 | Насос вакуумный |
| Мототехника | Минск ММВЗ-3.11211 | Первичный вал коробки передач |
| Мототехника | Минск ММВЗ-3.1135 | Первичный вал коробки передач |
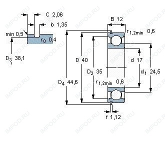
Габаритные размеры
Конструкция и исполнение
Однорядный цилиндрический роликовый подшипник N203 (AST, CYSD, ISB, ISO, NACHI)
Однорядный цилиндрический роликовый подшипник NJ203 (CYSD, FAG, ISB, ISO, NACHI)
Однорядный цилиндрический роликовый подшипник NU203 (CYSD, ISB, ISO, NACHI, NIS)
Подшипник шариковый радиальный 6-203
Подшипник шариковый радиальный сферический двухрядный с цилиндрическим отверстием внутреннего кольца 5-1203 (ГПЗ-2)