Главная > Однорядные >6202 Z.TVH

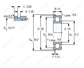
6202 Z.TVH — Подшипник однорядный шариковый радиальный, импортное производство по ISO стандарту, размер 15x35x11 номер основного исполнения 6202.
Производитель: FAG.
TV = Твердая клетка из армированного стекловолокном полиамида, шариковая езда.
Цена от:107 р.
Цена на подшипник зависит от:
| Обозначение | Модификация |
|---|---|
| 6202 | Основное конструктивное исполнение. |
| 6202E | Е = Увеличенная грузоподъемность. |
| S6202 | |
| 6202P | P = Литой сепаратор из стеклонаполненного полиамида 6,6, центрируемый по телам качения. |
| 6202-Z | 2Z = Металлические шайбы с каждой стороны подшипника. |
| 6202UU | Резиновое уплотнение на каждой стороне подшипника. |
| 6202LT | T = Механически обработанный сепаратор из текстолита, центрируемый по телам качения. |
| 6202 N | N = Канавка под стопорное кольцо в наружном кольце |
| 6202DD | DD = резиновые уплотнения на каждой стороне подшипника. |
| 6202LU | LU = RS1 (SKF) = шариковый подшипник с трущим уплотнением с одной стороны. Уплотнение обычно состоит из шайбы из листовой стали и прорезиненной ткани. |
| NC6202 | |
| 6202VV | V = Увеличенная грузоподъемность, внутренняя модификация конструкции. |
| 6202ZE | 2Z = Металлические шайбы с каждой стороны подшипника. |
| 6202EE | Е = Увеличенная грузоподъемность. |
| 6202LB | LB - массивный сепаратор из лёгкого сплава, центрирование по внутреннему кольцу. |
| W 6202 | |
| 6202-C | С = Необслуживаемые концы стержней, внутренняя резьба. |
| 6202DDU | DDU = резиновые уплотнения на каждой стороне подшипника. |
| AC-6202 | |
| EC-6202 | |
| 6202LLB | LLB = Уплотнение из синтетического каучука бесконтактного типа. |
| 6202 ZZ | 2Z = Металлические шайбы с каждой стороны подшипника. |
| 6202 NR | Стопорное кольцо и проточка под него в наружном кольце подшипника. |
| SS 6202 | |
| 6202-ZP | 2Z = Металлические шайбы с каждой стороны подшипника. |
| 6202LLU | LLU = Резиновые уплотнения на каждой стороне подшипника. |
| 6202LLH | LL = Лабиринтные уплотнения с обеих сторон (уплотнение L-типа - все части уплотнения L-типа покрыты цинком с всех сторон для улучшения защиты от коррозии - без трения уплотнения ). H = Штампованный защелкивающийся стальной сепаратор, закаленный. |
| 6202ZZE | 2Z = Металлические шайбы с каждой стороны подшипника. |
| 6202L11 | L = массивный сепаратор из лёгкого сплава. |
| 6202NKE | К = Коническая посадка, конусность 1:12. |
| 6202T1X | T = Механически обработанный сепаратор из текстолита, центрируемый по телам качения. |
| 6202NSE | S = смазочный паз и три отверстия в наружном кольце подшипника. |
| 6202 2Z | 2Z = Металлические шайбы с каждой стороны подшипника. |
| 6202-RS | Резиновые уплотнения с каждой стороны подшипника. |
| 6202 RSR | 2RSR = Резиновые уплотнения с каждой стороны подшипника. |
| 6202-RSH | Резиновые уплотнения с каждой стороны подшипника. |
| 6202-RSL | Резиновые уплотнения с каждой стороны подшипника. |
| 6202-ZNR | 2Z = Металлические шайбы с каждой стороны подшипника. |
| 6202DDF1 | DD = резиновые уплотнения на каждой стороне подшипника. |
| 6202-2RS | Резиновые уплотнения с каждой стороны подшипника. |
| S6202-2Z | 2Z = Металлические шайбы с каждой стороны подшипника. |
| 6202-2RD | R = Наружное кольцо с фланцем . |
| 6202-RS2 | Резиновые уплотнения с каждой стороны подшипника. |
| EC6202DD | DD = резиновые уплотнения на каждой стороне подшипника. |
| 6202-Z-N | 2Z = Металлические шайбы с каждой стороны подшипника. |
| 6202NREE | Стопорное кольцо и проточка под него в наружном кольце подшипника. |
| P6202-SB | S (Сегментное уплотнение, код 2L) = кулачковый толкатель, Camrol, герметичная версия. B = шестигранное отверстие ,заменяет шлиц отвертки в конце фланца штока. |
| 6202-2RU | Манжетное бесконтактное уплотнение с обеих сторон. |
| P6202-GB | G = Однорядный радиально-упорный шарикоподшипник для универсального парного монтажа. Два подшипника, установленные по 0-образной или Х-образной схеме, будут иметь определенный осевой зазор в домонтажном состоянии. |
| 6202ZZF2 | 2Z = Металлические шайбы с каждой стороны подшипника. |
Габаритные размеры
Конструкция и исполнение
Однорядный цилиндрический роликовый подшипник NJ202 (CYSD, FAG, ISB, ISO, NIS)
Однорядный цилиндрический роликовый подшипник NU202 (CYSD, ISB, ISO, NIS, NKE)
Подшипник шариковый радиальный 6-202
Подшипник шариковый радиальный сферический двухрядный с цилиндрическим отверстием внутреннего кольца 5-1202 (ГПЗ-2)
Подшипник шариковый радиальный двухрядный 4-202