Главная > Подшипники> Роликовые > Радиально-упорные>619/613X

619/613X — Подшипник роликовый радиально-упорный, импортное производство по ISO стандарту, размер 50x120x41 номер основного исполнения .
Производитель: KOYO.
X = Внешние размеры, соответствующие международным стандартам.
Цена от:69 р.
Цена на подшипник зависит от:
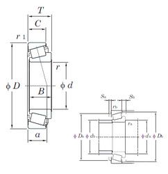
Габаритные размеры
Размеры и геометрические характеристики
Нагрузка и ресурс
Защита
Коэффициенты для расчета
Присоединительные размеры
Конструкция и исполнение
Конический роликоподшипник 4T-619/612 (NTN)
Однорядный конический роликовый подшипник 619/612 (CX, FBJ, Fersa, ISO, KOYO)
Конический роликоподшипник 619/612-B (TIMKEN)
Подшипник роликовый радиально-упорный 619/612A (KOYO)