Главная > Подшипники> Шариковые> Радиальные>61884-M

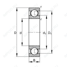
61884-M — Подшипник однорядный шариковый радиальный, импортное производство по ISO стандарту, размер 420x520x46 номер основного исполнения 61884.
Производитель: FAG.
M = массивный латунный сепаратор.
Цена по запросу
Цена на подшипник зависит от:
Габаритные размеры
Размеры и геометрические характеристики
Нагрузка и ресурс
Присоединительные размеры
Подшипник шариковый радиально-упорный однорядный неразъемный со скосом на наружном кольце 1036884 Л (ГПЗ-1)
Подшипник однорядный шариковый радиальный 6884 (KOYO, NIS, NSK, NTN)
Однорядный цилиндрический роликовый подшипник NCF1884V (CX, ISO, NKE, NSK, SKF)
Цилиндрический роликоподшипник NFV1884 (NTN)
Радиально-упорный шарикоподшипник 7884 (NTN)