Главная > Подшипники> Шариковые> Радиальные>61880-M

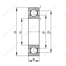
61880-M — Подшипник однорядный шариковый радиальный, импортное производство по ISO стандарту, размер 400x500x46 номер основного исполнения 61880.
Производится брендами: FAG, NKE.
M = массивный латунный сепаратор.
Цена от:114 181 р.
Цена на подшипник зависит от:
Габаритные размеры
Размеры и геометрические характеристики
Нагрузка и ресурс
Защита
Присоединительные размеры
Конструкция и исполнение
Подшипник однорядный шариковый радиальный 6880 (KOYO, NIS, NSK, NTN)
Цилиндрический роликоподшипник N1880 (CX, ISO)
Цилиндрический роликоподшипник NF1880 (CX, ISO)
Цилиндрический роликоподшипник NP1880 (CX, ISO)
Радиально-упорный шарикоподшипник 7880 (NTN)
Подшипник с перекрестными роликами SX 011880 (ISB)