
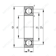
618/600-M — Подшипник однорядный шариковый радиальный, импортное производство по ISO стандарту, размер 600x730x60 номер основного исполнения .
Производитель: FAG.
M = массивный латунный сепаратор.
Цена от:242 902 р.
Цена на подшипник зависит от:
Габаритные размеры
Размеры и геометрические характеристики
Нагрузка и ресурс
Присоединительные размеры
Подшипник шариковый радиально-упорный 10468/600Л1 (EPK)
Подшипник шариковый радиально-упорный 5-10468/600 (ГПЗ-1)
Подшипник шариковый радиально-упорный однорядный неразъемный со скосом на наружном кольце 6-10468/600 Л (ГПЗ-1)
Подшипник шариковый радиальный 618/600 (CX, ISO, ZEN)
Радиальный шарикоподшипник 68/600 (KOYO, NSK, NTN)
Однорядный цилиндрический роликовый подшипник NCF18/600-V (NKE, NSK, SKF, TIMKEN)