Главная > Подшипники> Шариковые> Радиальные>618/560-M

618/560-M — Подшипник однорядный шариковый радиальный, импортное производство по ISO стандарту, размер 560x680x56 номер основного исполнения .
Производитель: FAG.
M = массивный латунный сепаратор.
Цена от:200 031 р.
Цена на подшипник зависит от:
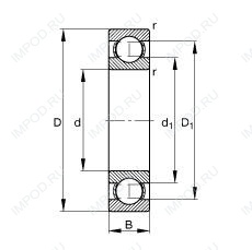
Габаритные размеры
Размеры и геометрические характеристики
Нагрузка и ресурс
Присоединительные размеры
Подшипник шариковый радиальный 10008/560Л (EPK)
Подшипник однорядный шариковый радиальный 618/560 MA (ISB, NKE, SKF)
Подшипник шариковый радиальный 618/560 (CX, ISO, ZEN)
Радиальный шарикоподшипник 68/560 (KOYO, NSK, NTN)
Цилиндрический роликоподшипник NCF18/560V/HB1 (SKF)
Цилиндрический роликоподшипник NJ 18/560 (CX, ISB, ISO)