Главная > Подшипники> Шариковые> Радиальные>618/530-M

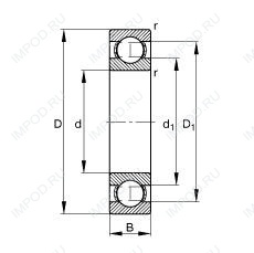
618/530-M — Подшипник шариковый радиальный, импортное производство по ISO стандарту, размер 530x650x56 номер основного исполнения .
Производитель: FAG.
M = массивный латунный сепаратор.
Цена от:198 458 р.
Цена на подшипник зависит от:
Габаритные размеры
Размеры и геометрические характеристики
Нагрузка и ресурс
Присоединительные размеры
Подшипник однорядный шариковый радиальный 618/530 (CX, ISO, ZEN)
Радиальный шарикоподшипник 68/530 (KOYO, NSK, NTN)
Цилиндрический роликоподшипник NFV18/530 (NTN)