Главная > Однорядные >6020 DDU

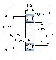
6020 DDU — Подшипник однорядный шариковый радиальный, импортное производство по ISO стандарту, размер 100x150x24 номер основного исполнения 6020.
Производится брендами: IBC, NSK.
DDU = резиновые уплотнения на каждой стороне подшипника.
Цена от:1 749 р.
Цена на подшипник зависит от:
| Обозначение | Модификация |
|---|---|
| 6020 | Основное конструктивное исполнение. |
| S6020 | |
| 6020EE | Е = Увеличенная грузоподъемность. |
| 6020-Z | Металлический экран с одной стороны. |
| 6020-N | N = Канавка под стопорное кольцо в наружном кольце |
| 6020 M | M = массивный латунный сепаратор. |
| 6020LU | LU = RS1 (SKF) = шариковый подшипник с трущим уплотнением с одной стороны. Уплотнение обычно состоит из шайбы из листовой стали и прорезиненной ткани. |
| 6020VV | V = Увеличенная грузоподъемность, внутренняя модификация конструкции. |
| NNU6020 | Двухрядный цилиндрический роликоподшипник. Коническое отверстие позволяет регулировать внутренний зазор. Имеются масляная канавка и масляное отверстие в центре наружного кольца. |
| 6020 2Z | 2Z = Металлические шайбы с каждой стороны подшипника. |
| 6020 ZZ | ZZ = Два металлических экрана. |
| 6020-RS | R = Наружное кольцо с фланцем . |
| 6020-NR | Стопорное кольцо и проточка под него в наружном кольце подшипника. |
| 6020LLB | LLB = Уплотнение из синтетического каучука бесконтактного типа. |
| 6020LLU | LLU = Резиновые уплотнения на каждой стороне подшипника. |
| 6020ZZNR | ZZ = Два металлических экрана. NR = Стопорное кольцо Groove В наружном кольце подшипника и целесообразное стопорное кольцо. |
| 6020 2RS | Резиновые уплотнения с каждой стороны подшипника. |
| 6020-2RU | Манжетное бесконтактное уплотнение с обеих сторон. |
| 6020-RS1 | S1 = Кольца подшипника стабилизированы для рабочих температур до + 200 С. |
| 6020-RSR | R = Наружное кольцо с фланцем . |
| 6020-Z-N | Металлический экран с одной стороны. |
| S6020-2RS | Резиновые уплотнения с каждой стороны подшипника. |
| NNU6020 V | Двухрядный цилиндрический роликоподшипник. Коническое отверстие позволяет регулировать внутренний зазор. Имеются масляная канавка и масляное отверстие в центре наружного кольца. V = Увеличенная грузоподъемность, внутренняя модификация конструкции. |
| 6020 M.C3 | M = Цельный латунный сепаратор, с шариковой направляющей. C3 = Радиальный внутренний зазор подшипника больше, чем обычно. |
| 6020-2RS1 | Резиновые уплотнения с каждой стороны подшипника. |
| 6020-2RSR | 2RSR = Резиновые уплотнения с каждой стороны подшипника. |
| 6020-2Z-N | 2Z = Металлические шайбы с каждой стороны подшипника. |
| 6020-Z-NR | Стопорное кольцо и проточка под него в наружном кольце подшипника. |
| 6020 2Z.C3 | C3 = Радиальный внутренний зазор больше нормального. |
| 120 (6020) | |
| 6020-2Z-NR | 2Z = Металлические шайбы с каждой стороны подшипника. |
| 6020 2RSR.C3 | 2RSR = Резиновые уплотнения с каждой стороны подшипника. |
| 6020-2Z/VA208 | 2Z = Закрыт с двух сторон шайбами из прессованной листовой стали. VA208 = Подшипник для высокотемпературных применений, температурный режим 350 градусовC |
| 80120 (6020 ZZ) | ZZ = Два металлических экрана. |
| Техника | Модель | Агрегат |
|---|---|---|
| Трактор | ДТ-75МВ с двигателем А-41 | Двигатель/букса шарикоподшипника |
| Трактор | ДТ-75МВ | Двигатель/букса шарикоподшипника |
| Трактор | Т-75МВ с двигателем А-41 | Двигатель/букса шарикоподшипника |
| Трактор | ДТ-75 с двигателем СМД-14Г | Двигатель/вал кулачковый насоса топливного |
| Трактор | ДТ-75 | Двигатель/вал кулачковый насоса топливного |
| Трактор | Т-75 с двигателем СМД-14Г | Двигатель/вал кулачковый насоса топливного |
| Трактор | Т-75 | Двигатель/вал кулачковый насоса топливного |
| Трактор | МТЗ-2 | Двигатель/насос топливный. опоры передняя и задняя вала кулачкового |
| Трактор | МТЗ-5К | Двигатель/насос топливный. опоры передняя и задняя вала кулачкового |
| Трактор | МТЗ-5ЛС | Двигатель/насос топливный. опоры передняя и задняя вала кулачкового |
| Трактор | МТЗ-5Л | Двигатель/насос топливный. опоры передняя и задняя вала кулачкового |
| Трактор | МТЗ-5МС | Двигатель/насос топливный. опоры передняя и задняя вала кулачкового |
| Трактор | МТЗ-5М | Двигатель/насос топливный. опоры передняя и задняя вала кулачкового |
| Трактор | МТЗ-5 | Двигатель/насос топливный. опоры передняя и задняя вала кулачкового |
| Трактор | МТЗ-50ПЛ | Двигатель/насос топливный. опоры передняя и задняя вала кулачкового |
| Трактор | ХТЗ-120 | Двигатель/привод гидронасоса |
| Трактор | ХТЗ-121 | Двигатель/привод гидронасоса |
| Трактор | Т-74 | Кулачковый вал топливного насоса |
| Трактор | Т-16 самоходное шасси | Насос топливный |
| Трактор | Т-16 | Насос топливный |
| Трактор | Т-40А | Насос топливный |
| Трактор | Т-40 | Насос топливный |
Габаритные размеры
Размеры и геометрические характеристики
Нагрузка и ресурс
Защита
Коэффициенты для расчета
Присоединительные размеры
Конструкция и исполнение
Однорядный цилиндрический роликовый подшипник NU1020 (CX, CYSD, FBJ, ISB, ISO)
Подшипник шариковый однорядный радиально-упорный 7020 (CYSD, KOYO, NACHI, NSK, NTN)
Подшипник шариковый однорядный радиально-упорный B7020 E.T.P4S.UL (FAG)
Подшипник шариковый однорядный радиально-упорный HS7020 C.T.P4S.UL (FAG)