Главная > Подшипники> Шариковые> Радиальные>6-50706 ЕУШ1

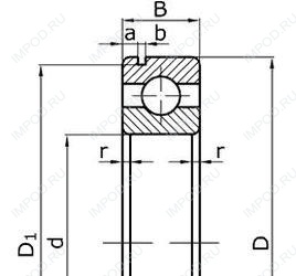
6-50706 ЕУШ1 — Подшипник шариковый радиальный однорядный с канавкой на наружном кольце, отечественное производство по ГОСТ стандарту, размер 30x75x19 номер основного исполнения 50706.
Производитель: ГПЗ-8.
E = Угол контакта 25 градусов. У = Дополнительные требование к обработки деталей (Покрытия, радиальному и осевому зазору и т.д.).
Цена по запросу
Цена на подшипник зависит от:
| Обозначение | Модификация |
|---|---|
| 50706 | Основное конструктивное исполнение. |
| 50706 Ш | Ш = Пониженые уровни вибрации и шума. |
| 6-50706 | |
| 50706 АУ | А = Увеличенная грузоподемность подшипника. У = Дополнительные требование к обработки деталей (Покрытия, радиальному и осевому зазору и т.д.). |
| 50706AEУ | A = внутренняя модификация конструкции. |
| 50706УШ1 | Ш1 = Пониженные уровни вибрации. |
| 50706 ЕУ | E = Угол контакта 25 градусов. У = Дополнительные требование к обработки деталей (Покрытия, радиальному и осевому зазору и т.д.). |
| 6-50706 У | У = Дополнительные требование к обработки деталей (Покрытия, радиальному и осевому зазору и т.д.). |
| 8-50706 У | У = Дополнительные требование к обработки деталей (Покрытия, радиальному и осевому зазору и т.д.). |
| 5-50706 У | У = Дополнительные требование к обработки деталей (Покрытия, радиальному и осевому зазору и т.д.). |
| 6-50706 Ш | Ш = Пониженые уровни вибрации и шума. |
| 6-50706 К | К = Конструктивное изменение зависящее от типа подшипника. |
| 6-50706 Е | E = Угол контакта 25 градусов. |
| 6-50706 АУ | А = Увеличенная грузоподемность подшипника. У = Дополнительные требование к обработки деталей (Покрытия, радиальному и осевому зазору и т.д.). |
| 50706 АЕ1У | А = Увеличенная грузоподемность подшипника. Е1 = Сепаратор из пластического материала (Текстолит, полиамид и т.д.). У = Дополнительные требование к обработки деталей (Покрытия, радиальному и осевому зазору и т.д.) |
| 6-50706 ЕУ | E = Угол контакта 25 градусов. У = Дополнительные требование к обработки деталей (Покрытия, радиальному и осевому зазору и т.д.). |
| 6-50706 УШ1 | Ш1 = Пониженные уровни вибрации. |
| 76-50706 Ш1 | Ш1 = Пониженные уровни вибрации. |
| 6-50706 АЕ1У | А = Увеличенная грузоподемность подшипника. Е1 = Сепаратор из пластического материала (Текстолит, полиамид и т.д.). У = Дополнительные требование к обработки деталей (Покрытия, радиальному и осевому зазору и т.д.) |
| 6-50706 АУШ1 | А = Увеличенная грузоподемность подшипника. У = Дополнительные требование к обработки деталей (Покрытия, радиальному и осевому зазору и т.д.). Ш = Пониженые уровни вибрации и шума. |
| 8-50706 АЕУШ1 | А = Увеличенная грузоподемность подшипника. Е = Сепаратор из пластического материала (Текстолит, полиамид и т.д.). У = Дополнительные требование к обработки деталей (Покрытия, радиальному и осевому зазору и т.д.) Ш1 = Пониженые уровни вибрации и шума. |
| В6-50706 АУШ1 | А = Увеличенная грузоподемность подшипника. У = Дополнительные требование к обработки деталей (Покрытия, радиальному и осевому зазору и т.д.). Ш = Пониженые уровни вибрации и шума. |
| В6-50706 АЕУШ1 | А = Увеличенная грузоподемность подшипника. Е = Сепаратор из пластического материала (Текстолит, полиамид и т.д.). У = Дополнительные требование к обработки деталей (Покрытия, радиальному и осевому зазору и т.д.) Ш1 = Пониженые уровни вибрации и шума. |
| В6-50706 АЕ1УШ1 | А = Увеличенная грузоподемность подшипника. Е1 = Сепаратор из пластического материала (Текстолит, полиамид и т.д.). У = Дополнительные требование к обработки деталей (Покрытия, радиальному и осевому зазору и т.д.) |
Габаритные размеры
Размеры и геометрические характеристики
Подшипник однорядный шариковый радиальный 615722 (SKF)
Радиальный шарикоподшипник BB1-3913 (SKF)
Цилиндрический роликоподшипник 306/1DYR1W (KOYO)