Главная > Подшипники> Шариковые> Радиальные>6-50412

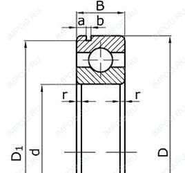
6-50412 — Подшипник шариковый радиальный однорядный с канавкой на наружном кольце, импортное производство по ISO стандарту, размер 60x150x35 номер основного исполнения 50412.
Цена по запросу
Цена на подшипник зависит от:
Габаритные размеры
Размеры и геометрические характеристики
Подшипник шариковый радиальный 7-412 (ГПЗ-4)
Однорядный цилиндрический роликовый подшипник NJ412 (CRAFT, CX, CYSD, FAG, FBJ)
Подшипник шариковый радиально-упорный однорядный неразъемный со скосом на наружном кольце 66412
Подшипник шариковый радиальный 170412
Подшипник шариковый радиальный однорядный 412
Подшипник шариковый радиальный сферический двухрядный с цилиндрическим отверстием внутреннего кольца 1412 (ГПЗ-2)