Главная > Подшипники> Шариковые> Радиальные сферические>6-50217

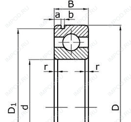
6-50217 — Подшипник шариковый радиальный однорядный с канавкой на наружном кольце, импортное производство по ISO стандарту, размер 85x150x28 номер основного исполнения 50217.
Цена по запросу
Цена на подшипник зависит от:
Габаритные размеры
Размеры и геометрические характеристики
Однорядный цилиндрический роликовый подшипник NJ217 (CRAFT, FAG, FBJ, ISB, ISO)
Однорядный цилиндрический роликовый подшипник NU217 (CRAFT, FBJ, ISB, ISO, KOYO)
Подшипник шариковый радиальный 6-217
Подшипник роликовый сферический 20217 (FAG, ISO)
Подшипник шариковый радиальный сферический двухрядный с цилиндрическим отверстием внутреннего кольца 1217 (ГПЗ-8)